Качественные детали и логистика
Оригинальные и аналоговые запчасти с доставкой по России, Казахстану и Беларуси
©2022 PartSell ООО "Система" ИНН 2463123282 ОГРН 1212400004838
Центральный офис: г. Красноярск, Академика Киренского, д.87, пом.4
Телефон: 8 (800) 777-65-74 Email: zakaz@partsell.ru
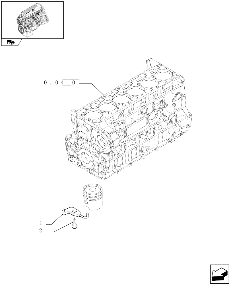
(0.04.14) - CYLINDER BARREL LUBRICATION NOZZLE (99483075)
№
Артикул
Название
Примечание
Количество
1
504199599
LUBE OIL NOZZLE
LUBE OIL JET NOZZLE
6шт.
2
99474718
BANJO BOLT
M12X1.5
Выбрано товаров: 0