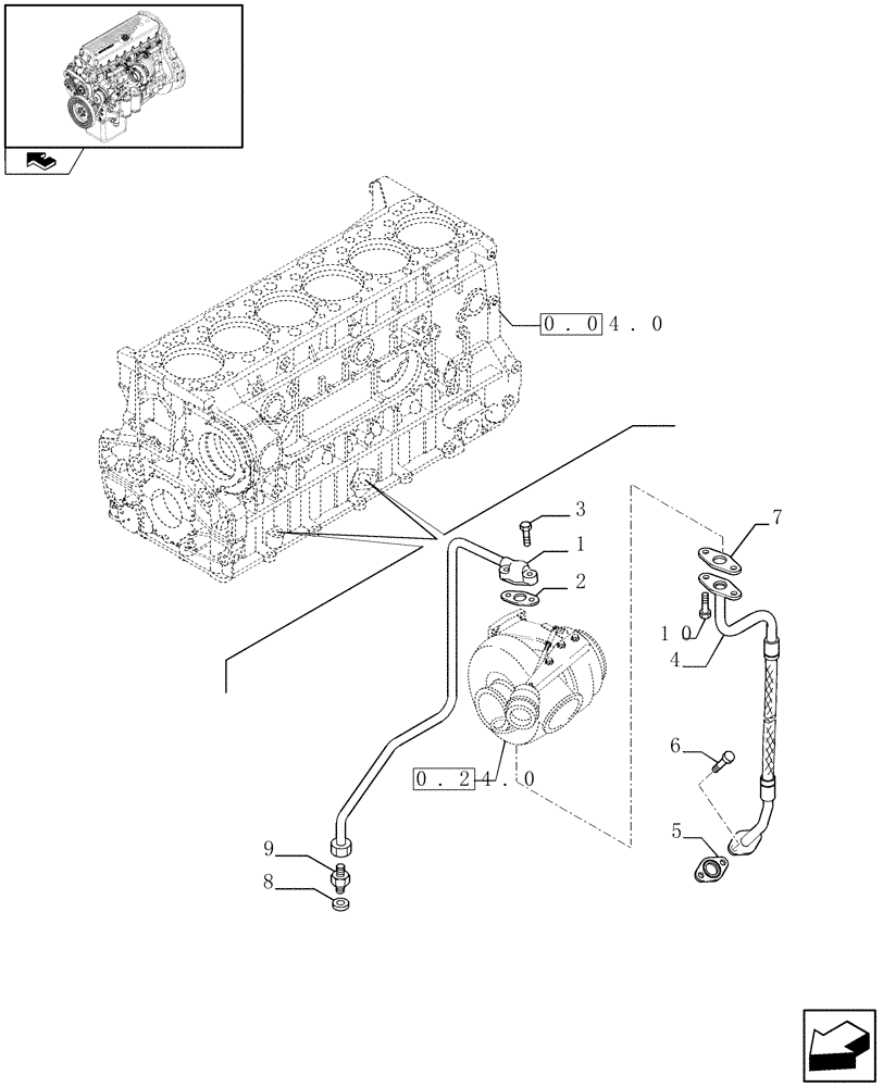
Запчасти Case IH F3AE0684S E908 (0.30.63) - TURBOBLOWER PIPES (504217550 - 504053494)

Схема запчастей Case IH F3AE0684S E908 - (0.30.63) - TURBOBLOWER PIPES (504217550 - 504053494)
4
6
home
1
0.04.0
0.24.0
2
3
9
5
7
10
8
FIT
1:1
100%

Артикул

Название

Примечание

Количество

1

504215040

SUCTION PIPE

1шт.

2

61318303

GASKET

1шт.

3

16586625

BOLT,M8 x 35mm

M8 x 35

2шт.

4

504102835

RIGID TUBE

1шт.

5

99475979

GASKET

1шт.

6

2854600

SCREW

M8 x 1.25 x 20

2шт.

7

98412509

GASKET,0.8mm Thk

1шт.

8

16500314

FITTING

1шт.

9

99489019

SEALING WASHER

1шт.

10

16586425

BOLT,M8 x 25mm

M8 x 25

2шт.

Выбрано товаров: 0