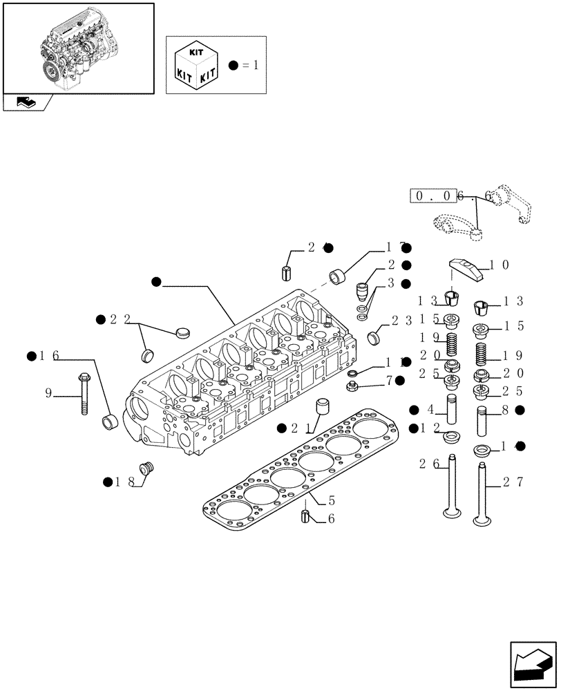
Запчасти Case IH F3AE0684S E908 (0.06.0) - CYLINDER HEAD & RELATED PARTS (504051863 - 504051861 - 504051865)

Схема запчастей Case IH F3AE0684S E908 - (0.06.0) - CYLINDER HEAD & RELATED PARTS (504051863 - 504051861 - 504051865)
20
3
19
18
24
13
1
25
9
12
25
8
1
1
10
1
1
1
1
11
1
1
1
13
17
5
15
16
1
14
2
1
22
26
1
7
19
15
0.06.6
20
4
27
23
21
1
home
6
1
FIT
1:1
100%

Артикул

Название

Примечание

Количество

1

500380776

CYLINDER HEAD

1шт.

2

99476929

CASE

6шт.

3

14454081

O-RING,1.051" ID x 0.07" Width

D=26.7X1.7 mm

12шт.

4

500391479

INTAKE VALVE GUIDE

STD

12шт.

4

500391480

INTAKE VALVE GUIDE

+ 0.2

12шт.

4

500391481

INTAKE VALVE GUIDE

+ 0.4

12шт.

5

500396535

CYLINDER HEAD GASKET

1шт.

6

2852985

DOWEL

D=10 mm

2шт.

7

10300714

PLUG,M16 x 1.5 x 14

M16 x 1.5

2шт.

8

500391476

EXHAUST VALVE GUIDE

STD

12шт.

8

500391477

EXHAUST VALVE GUIDE

+ 0.2

12шт.

8

500391478

EXHAUST VALVE GUIDE

+ 0.4

12шт.

9

99430334

SCREW

20шт.

9

99430335

SCREW

6шт.

10

500388169

SUPPORT

12шт.

11

99489019

SEALING WASHER

D=16X24X1.5mm

2шт.

12

99466613

VALVE SEAT

STD

12шт.

12

500379595

VALVE SEAT

+ 0,20

12шт.

13

61320851

ROCKER ARM COTTER

48шт.

14

99466612

VALVE SEAT

STD

12шт.

14

500379597

VALVE SEAT

+ 0.20

12шт.

15

99430785

COTTERS PLATE

24шт.

16

504003914

BUSHING

6шт.

17

504003915

BUSHING

1шт.

18

98472271

PLUG

3шт.

19

504099999

SPRING

24шт.

20

504000042

CUP

24шт.

21

16991370

PLUG

D=45 mm

2шт.

22

16990870

PLUG

D=28 mm

13шт.

23

16990570

PLUG

D=20 mm

12шт.

24

17255674

ROLL PIN

1шт.

25

40101584

GASKET

12шт.

26

500355776

STD INLET VALVE

STD ENGINE INLET VALVE

12шт.

27

500355779

STD EXHAUST VALVE

STD ENGINE EXHAUST VALVE

12шт.

Выбрано товаров: 34