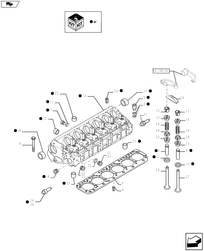
Запчасти Case IH F3AE0684S E914 (10.101.01) - CYLINDER HEAD & RELATED PARTS (10) - ENGINE

Схема запчастей Case IH F3AE0684S E914 - (10.101.01) - CYLINDER HEAD & RELATED PARTS (10) - ENGINE
35
11
1
27
13
1
9
12
19
2
5
28
10.106.02
14
29
16
23
1
34
22
8
6
1
32
19
1
33
15
1
1
31
26
24
1
1
1
28
13
1
1
1
21
20
25
3
1
18
1
30
1a
1
7
1
22
25
1
1
17
1
10
15
4
home
FIT
1:1
100%

Артикул

Название

Примечание

Количество

1

500380776

CYLINDER HEAD

1шт.

500380776R

REMAN-CYLINDER HEAD

F3AE0684S*E914 ENGINE - 5801464762 - 84405031

1шт.

500380776C

CORE-CYLINDER HEAD

Return Number

1шт.

1a

NSS

NOT SOLD SEPARAT

1шт.

2

99476929

CASE

6шт.

3

14454081

O-RING,1.051" ID x 0.07" Width

12шт.

4

500391479

INTAKE VALVE GUIDE

12шт.

4

500391480

INTAKE VALVE GUIDE

+0,2

12шт.

4

500391481

INTAKE VALVE GUIDE

+0,4

12шт.

5

500054689

CYLINDER HEAD GASKET

1шт.

6

10839710

DOWEL,M10 x 15.00mm

2шт.

7

10300714

PLUG,M16 x 1.5 x 14

2шт.

8

500391476

EXHAUST VALVE GUIDE

Std.

1шт.

8

500391477

EXHAUST VALVE GUIDE

+0,2

12шт.

8

500391478

EXHAUST VALVE GUIDE

+0,4

12шт.

9

99430334

SCREW

20шт.

9

504108191

SCREW

6шт.

10

500388169

SUPPORT

13шт.

11

99489019

SEALING WASHER

2шт.

12

99466613

VALVE SEAT

Std.

12шт.

12

500379595

VALVE SEAT

+0,20

12шт.

13

61320851

ROCKER ARM COTTER

48шт.

14

99466612

VALVE SEAT

Std.

12шт.

14

500379597

VALVE SEAT

+0,20

12шт.

15

99430785

COTTERS PLATE

24шт.

16

504078222

BUSHING

6шт.

17

504078223

BUSHING

1шт.

18

504051237

PLUG

3шт.

18

500310146

PLUG

1шт.

19

504099999

SPRING

24шт.

20

504182706

PLUG

1шт.

21

16991370

PLUG

2шт.

22

16990870

PLUG

13шт.

23

14282170

PLUG,M20, Tapered, Stainless

12шт.

24

17255674

ROLL PIN

1шт.

25

40101584

GASKET

12шт.

26

500355776

STD INLET VALVE

STD ENGINE INLET VALVE

12шт.

27

500355779

STD EXHAUST VALVE

STD ENGINE EXHAUST VALVE

12шт.

28

504000042

CUP

24шт.

29

504138062

PLUG

3шт.

30

504138060

PLUG

1шт.

31

98475758

HYD CONNECTOR

1шт.

32

98474306

SEALING WASHER,14mm ID x 20mm OD x 1.5mm Thk

1шт.

33

504023816

FITTING

1шт.

34

504035912

ADAPTER

1шт.

Выбрано товаров: 0