Запчасти Case IH F3AE0684S E914 (10.101.03) - ENGINE BREATHERS (10) - ENGINE

Схема запчастей Case IH F3AE0684S E914 - (10.101.03) - ENGINE BREATHERS (10) - ENGINE
home
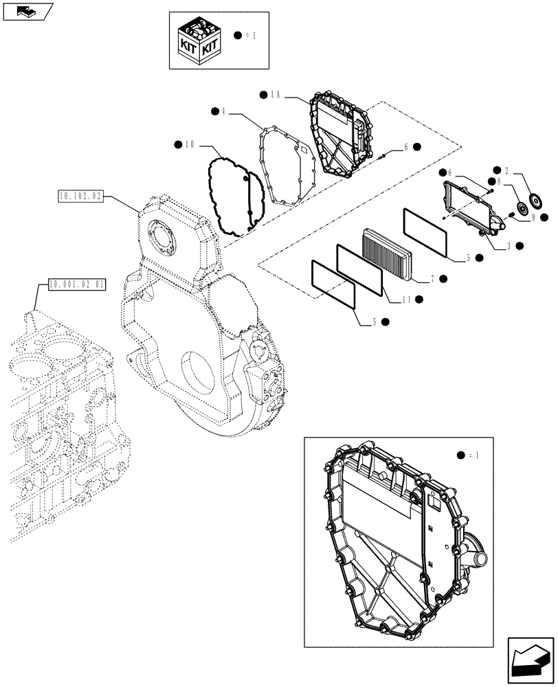
4
11
1
6
1
1
1
1
8
5
1
10.001.02 01
6
1
7
1
2
10
1
1
1
3
1
1
1
5
1
9
1
10.102.02
1
1a
FIT
1:1
100%

Артикул

Название

Примечание

Количество

1

504359941

BREATHER

ASSY

1шт.

1a

NSS

NOT SOLD SEPARAT

1шт.

2

500383041

COVER

1шт.

3

500361556

COVER

1шт.

4

500382999

GASKET

1шт.

5

2996234

GASKET

2шт.

6

500383042

SCREW

26шт.

7

504209107

AIR FILTER

Also Order Gasket 2996234 With Filter

1шт.

8

500311356

MEMBRANE

1шт.

9

500311357

SPRING

1шт.

10

500383189

GASKET

ONLY FOR THE COVER 500382997

1шт.

11

500398649

GASKET

1шт.

Выбрано товаров: 0