Качественные детали и логистика
Оригинальные и аналоговые запчасти с доставкой по России, Казахстану и Беларуси
©2022 PartSell ООО "Система" ИНН 2463123282 ОГРН 1212400004838
Центральный офис: г. Красноярск, Академика Киренского, д.87, пом.4
Телефон: 8 (800) 777-65-74 Email: zakaz@partsell.ru
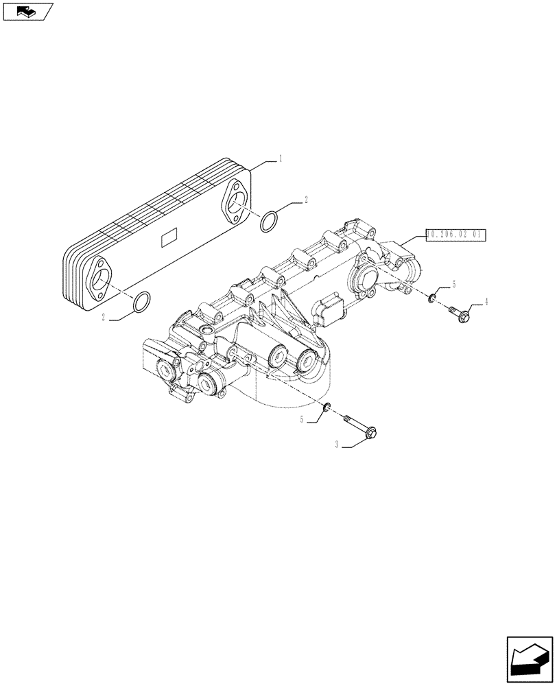
(10.408.01) - HEAT EXCHANGER
№
Артикул
Название
Примечание
Количество
1
504221050
RADIATOR
1шт.
2
14459081
O-RING,1.737" ID x 0.103" Width
2шт.
3
16592625
SCREW,M8 x 80mm
M8 x 80
4
16673835
BOLT,Hex, M8 x 30mm
M8 x 30
5
99489014
SEALING WASHER
4шт.
Выбрано товаров: 0