Качественные детали и логистика
Оригинальные и аналоговые запчасти с доставкой по России, Казахстану и Беларуси
©2022 PartSell ООО "Система" ИНН 2463123282 ОГРН 1212400004838
Центральный офис: г. Красноярск, Академика Киренского, д.87, пом.4
Телефон: 8 (800) 777-65-74 Email: zakaz@partsell.ru
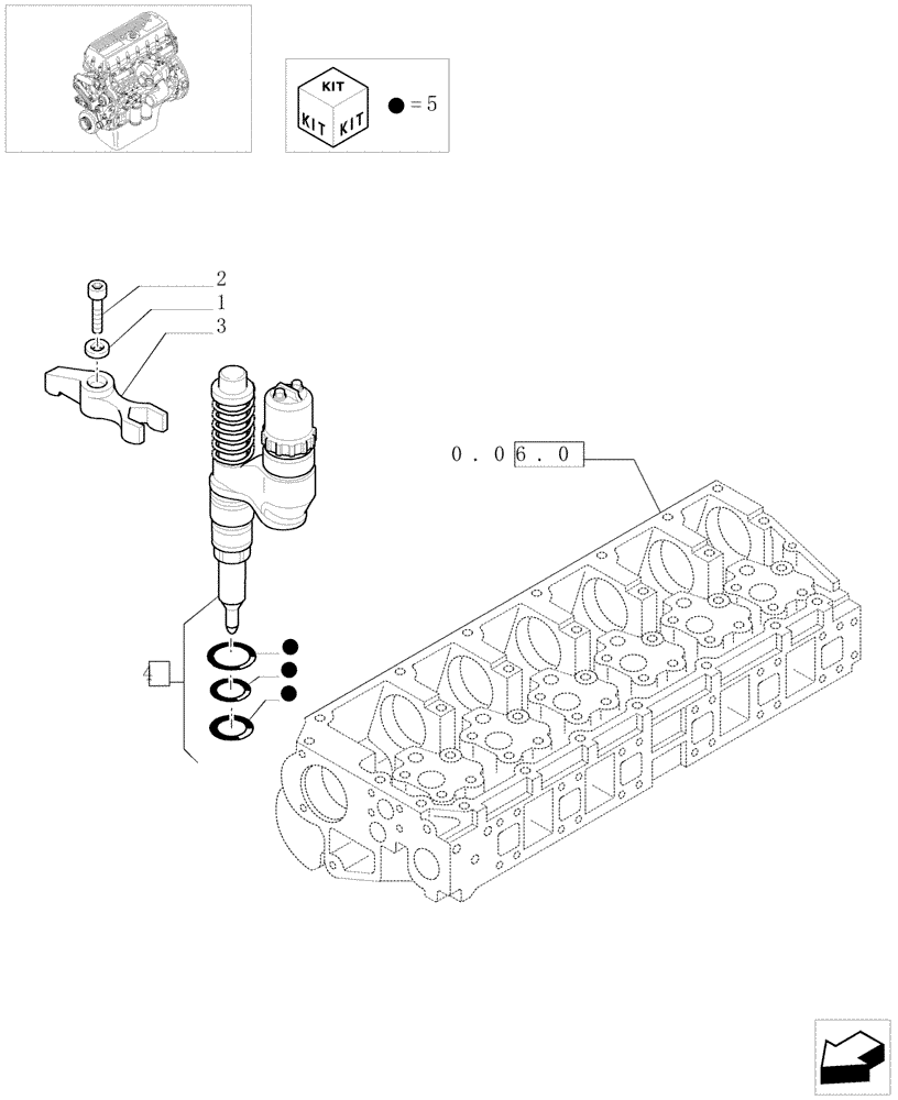
(0.14.8[01]) - INJECTOR & RELATED PARTS (504036173)
№
Артикул
Название
Примечание
Количество
1
99435007
LOCK WASHER
6шт.
2
16707734
SCREW,M8 x 1.25 x 50mm
M8X50
3
99435006
BRACKET
4
500390845
FUEL SYSTEM INJECTOR
- ASSY
5
500379769
REPAIR KIT
Выбрано товаров: 0