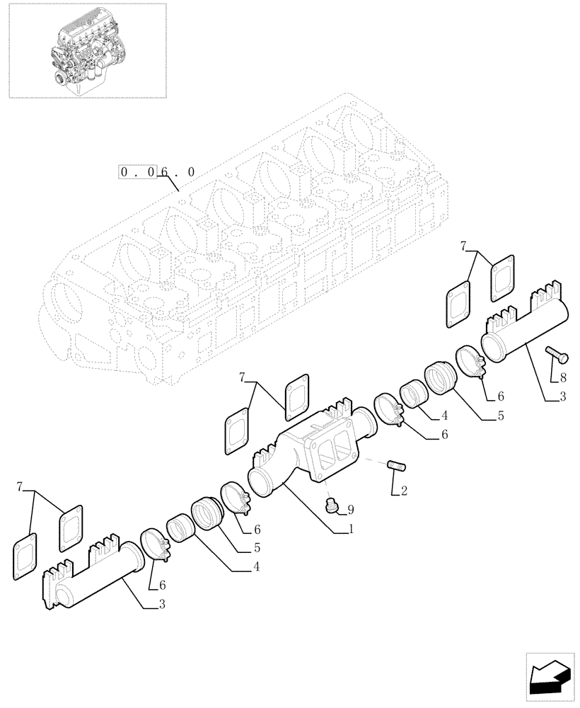
Запчасти Case IH F3BE0684A B001 (0.07.8[01]) - EXHAUST MANIFOLD (504041325)

Схема запчастей Case IH F3BE0684A B001 - (0.07.8[01]) - EXHAUST MANIFOLD (504041325)
5
6
4
7
3
7
7
5
9
6
6
0.06.0
4
1
6
8
2
3
FIT
1:1
100%

Артикул

Название

Примечание

Количество

1

504046508

EXHAUST MANIFOLD

1шт.

2

16731370

STUD

M10 x 30

2шт.

3

99443710

EXHAUST MANIFOLD

2шт.

4

99443770

RING

2шт.

5

99443769

RING

2шт.

6

500305816

HOSE CLIP

4шт.

7

99443768

GASKET

6шт.

8

99443210

SCREW,M10 x 1.5 x 40

24шт.

9

99441940

PLUG

M12X1.5

2шт.

Выбрано товаров: 9