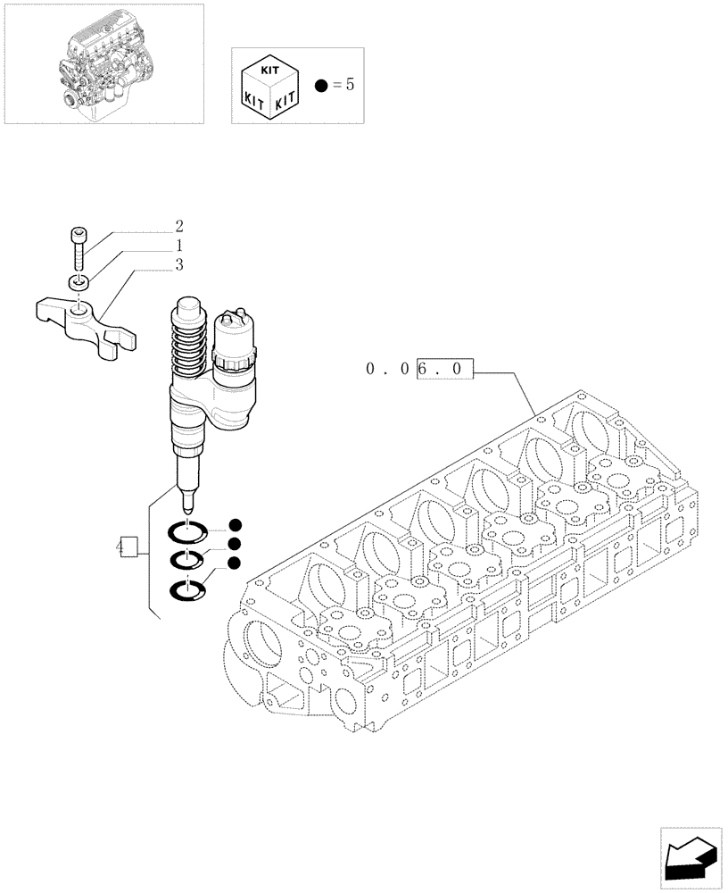
Запчасти Case IH F3BE0684E B003 (0.14.8[01]) - INJECTOR & RELATED PARTS (504036173)

Схема запчастей Case IH F3BE0684E B003 - (0.14.8[01]) - INJECTOR & RELATED PARTS (504036173)
1
3
0.06.0
5
4
1
2
5
FIT
1:1
100%

Артикул

Название

Примечание

Количество

1

99435007

LOCK WASHER

6шт.

2

16707734

SCREW,M8 x 1.25 x 50mm

6шт.

3

99435006

BRACKET

6шт.

4

500390845

FUEL SYSTEM INJECTOR

- ASSY

6шт.

5

500379769

REPAIR KIT

6шт.

Выбрано товаров: 5