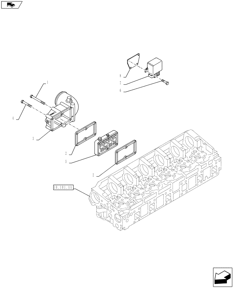
Запчасти Case IH F3BE0684J E919 (10.254.AM) - MANIFOLD - INTAKE (10) - ENGINE

Схема запчастей Case IH F3BE0684J E919 - (10.254.AM) - MANIFOLD - INTAKE (10) - ENGINE
3
home
6
4
2
2
8
10.101.aa
7
5
1
FIT
1:1
100%

Артикул

Название

Примечание

Количество

1

16599225

SCREW,M10 x 140mm

M10 x 140 mm

2шт.

2

504375264

GASKET,0.3mm Thk

2шт.

3

504074691

AIR INTAKE TUBE

1шт.

4

16599224

SCREW,M10 x 140mm

M10 x 140 mm

4шт.

5

504154987

HEATER

Resistor

1шт.

6

18137825

BOLT,Hex, M6 x 16mm

M6 x 16 mm

4шт.

7

86619908

RELAY,12V, 150A

1шт.

8

504031939

BRACKET

Support

1шт.

Выбрано товаров: 8