Качественные детали и логистика
Оригинальные и аналоговые запчасти с доставкой по России, Казахстану и Беларуси
©2022 PartSell ООО "Система" ИНН 2463123282 ОГРН 1212400004838
Центральный офис: г. Красноярск, Академика Киренского, д.87, пом.4
Телефон: 8 (800) 777-65-74 Email: zakaz@partsell.ru
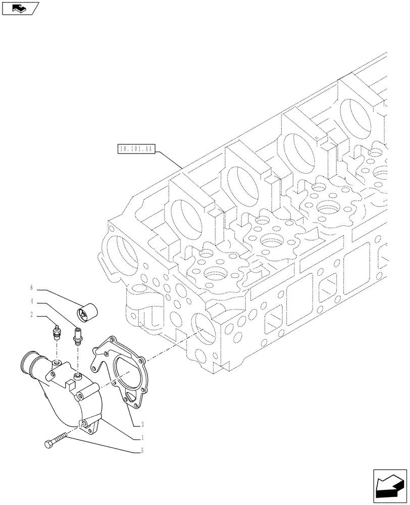
(10.400.BC) - THERMOSTAT
№
Артикул
Название
Примечание
Количество
1
5801375230
BODY
Thermostat Body
1шт.
2
500304562
BLEEDER VALVE
Breather Plug
3
500362150
GASKET
MAINTENANCE PART
4
98475757
FITTING
Connector
5
16586825
BOLT,Hex, M8 x 1.25 x 45mm
M8 x 1.25 x 45 mm
2шт.
500383813
SCREW
M8 x 105 mm
5шт.
6
504263917
SLEEVE
Выбрано товаров: 0