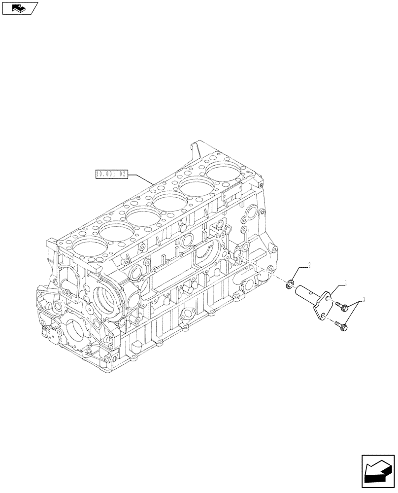
Запчасти Case IH F3BE0684N E916 (10.304.04) - OIL PRESSURE REGULATION VALVE (99459425) (10) - ENGINE

Схема запчастей Case IH F3BE0684N E916 - (10.304.04) - OIL PRESSURE REGULATION VALVE (99459425) (10) - ENGINE
1
home
3
10.001.02
2
FIT
1:1
100%

Артикул

Название

Примечание

Количество

1

500378929

VALVE

1шт.

2

14463481

O-RING,1.109" ID x 0.139" Width

M28.17 x 3.53

1шт.

3

16673635

BOLT,Hex, M8 x 1.25 x 20mm, Full Thd

M8X1.25X20 mm

2шт.

Выбрано товаров: 3