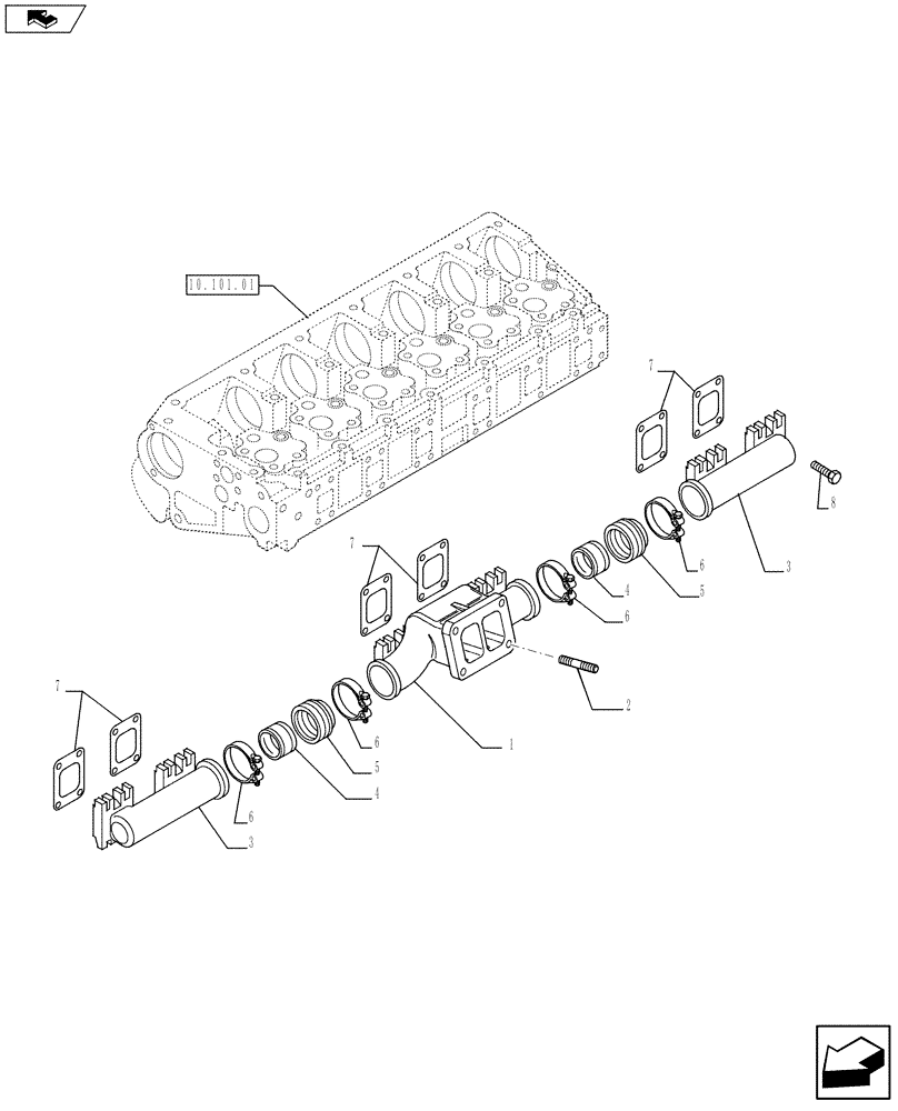
Запчасти Case IH F3BE0684N E918 (10.254.05) - EXHAUST MANIFOLD (504041325) (10) - ENGINE

Схема запчастей Case IH F3BE0684N E918 - (10.254.05) - EXHAUST MANIFOLD (504041325) (10) - ENGINE
10.101.01
3
6
5
1
3
5
7
4
4
6
home
7
2
6
8
6
7
FIT
1:1
100%

Артикул

Название

Примечание

Количество

1

504046508

EXHAUST MANIFOLD

ASSY

1шт.

2

16731370

STUD

M10 x 30

2шт.

3

504030852

EXHAUST MANIFOLD

2шт.

4

99443770

RING

2шт.

5

99443769

RING

2шт.

6

500305816

HOSE CLIP

4шт.

7

504154280

GASKET

6шт.

8

99443210

SCREW,M10 x 1.5 x 40

24шт.

Выбрано товаров: 8