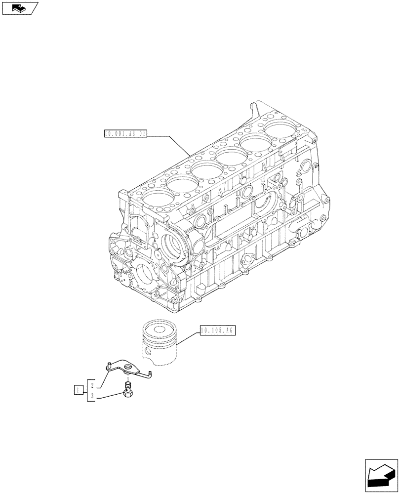
Запчасти Case IH F3BE9684A H001 (10.001.AB[02]) - CRANKCASE (10) - ENGINE

Схема запчастей Case IH F3BE9684A H001 - (10.001.AB[02]) - CRANKCASE (10) - ENGINE
1
3
2
10.001.ab 01
10.105.ag
FIT
1:1
100%

Артикул

Название

Примечание

Количество

1

504101758

LUBE OIL NOZZLE

ASSY, Incl 2, 3

6шт.

2

NSS

NOT SOLD SEPARAT

Nozzle, Incl in 1

6шт.

3

NSS

NOT SOLD SEPARAT

Fitting, Incl in 1

6шт.

Выбрано товаров: 3