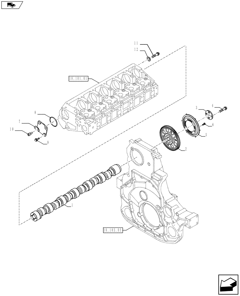
Запчасти Case IH F3BFA613A E002 (10.106.01) - CAMSHAFT (10) - ENGINE

Схема запчастей Case IH F3BFA613A E002 - (10.106.01) - CAMSHAFT (10) - ENGINE
10.101.01
home
2
10.103.03
4
10
7
11
5
8
1
9
3
12
6
FIT
1:1
100%

Артикул

Название

Примечание

Количество

1

504371910

CAMSHAFT

1шт.

1

504371910R

REMAN-CAMSHAFT

Engine Model F3BFA613A*E002 ENGINE 504384981 - 84250906 W/O BRAKE

1шт.

1

504371910C

CORE-CAMSHAFT

Return Number

1шт.

2

504367235

GEAR

1шт.

3

98496024

SPACER

1шт.

4

99431774

BOLT

4шт.

5

504367236

PLATE

1шт.

6

504367230

SCREW

M8X1.25X25

4шт.

7

504204255

COVER

1шт.

8

14465381

O-RING,3.109" ID x 3.387" OD x 0.139"

1шт.

9

16587125

SCREW,M10

M10 x 25

3шт.

10

504093610

SCREW

M8 x 1,25

1шт.

11

16690624

SCREW,M8 x 25mm

5шт.

12

17094824

LOCK WASHER

5шт.

Выбрано товаров: 0