Запчасти Case IH F3BFA613A E002 (10.216.03) - FUEL LINES & RELATED PARTS (10) - ENGINE

Схема запчастей Case IH F3BFA613A E002 - (10.216.03) - FUEL LINES & RELATED PARTS (10) - ENGINE
3
10
5
8
10
10
2
6
9
1
7
10
11
1a
10.210.01
home
4
FIT
1:1
100%

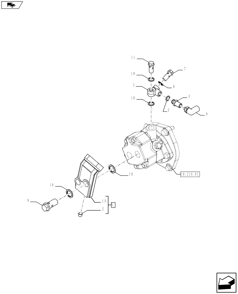
Артикул

Название

Примечание

Количество

1

500314313

CONNECTING BLOCK

ASSY

1шт.

1a

NSS

NOT SOLD SEPARAT

1шт.

2

98472271

PLUG

2шт.

3

500348306

ELBOW

1шт.

4

500328251

VALVE PRESSURE RELIE

1шт.

5

5169544

SEAL,14.7mm ID x 22mm OD x 1.5mm Thk

1шт.

6

99489019

SEALING WASHER

1шт.

7

504081274

HYD CONNECTOR

1шт.

8

500350162

ELBOW

1шт.

9

4864084

BANJO BOLT

2шт.

10

98474309

GASKET,16mm ID x 24mm OD x 1.9mm Thk

6шт.

11

504081282

HYD CONNECTOR

1шт.

Выбрано товаров: 12