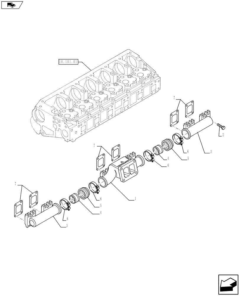
Запчасти Case IH F3BFA613A E002 (10.254.05) - EXHAUST MANIFOLD (10) - ENGINE

Схема запчастей Case IH F3BFA613A E002 - (10.254.05) - EXHAUST MANIFOLD (10) - ENGINE
5
4
5
7
3
6
1
6
3
6
home
7
2
6
4
10.101.01
7
FIT
1:1
100%

Артикул

Название

Примечание

Количество

1

504367440

EXHAUST MANIFOLD

1шт.

2

99443210

SCREW,M10 x 1.5 x 40

M10 x 70

24шт.

3

504030852

EXHAUST MANIFOLD

2шт.

4

99443770

RING

2шт.

5

99443769

RING

2шт.

6

500305816

HOSE CLIP

4шт.

7

504154280

GASKET

6шт.

Выбрано товаров: 7