Запчасти Case IH F3BFA613A E002 (10.304.04) - OIL PRESSURE REGULATION VALVE (99459425) (10) - ENGINE

Схема запчастей Case IH F3BFA613A E002 - (10.304.04) - OIL PRESSURE REGULATION VALVE (99459425) (10) - ENGINE
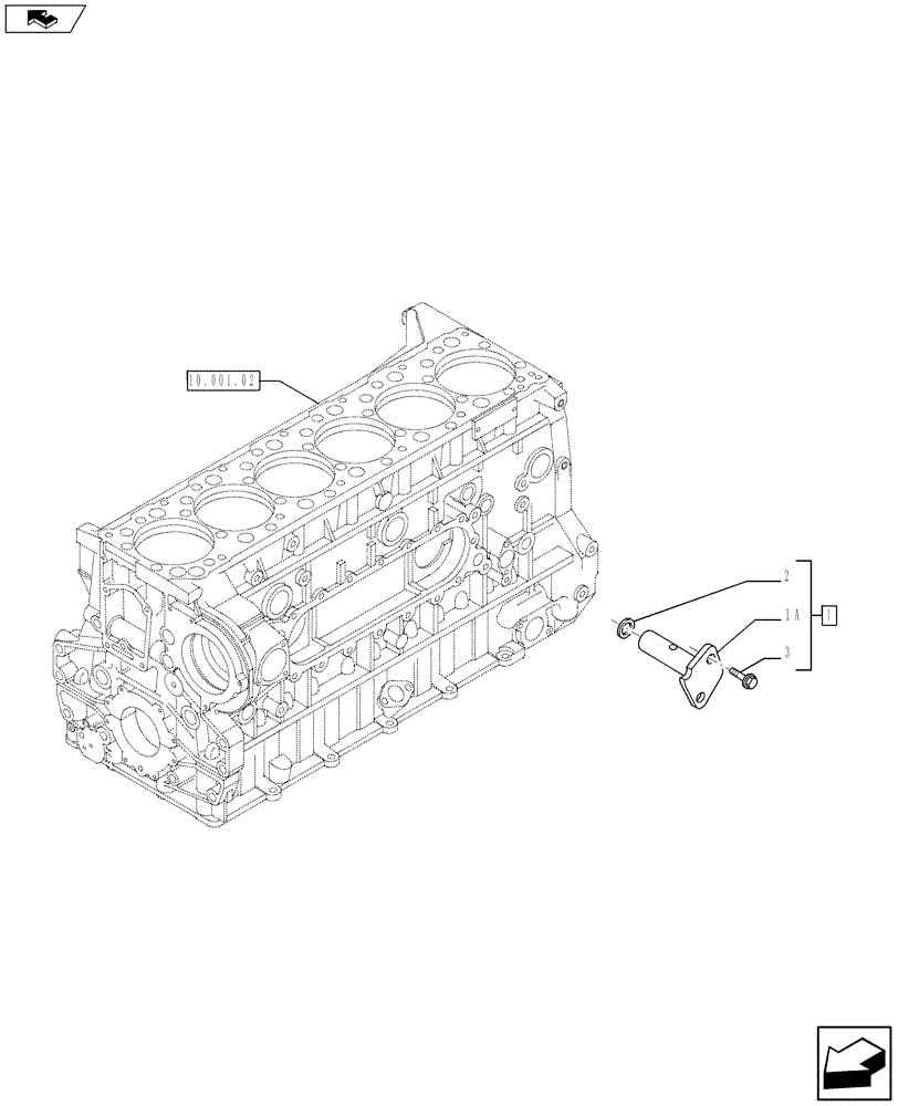
10.001.02
2
home
1
1a
3
FIT
1:1
100%

Артикул

Название

Примечание

Количество

1

500378929

VALVE

ASSY

1шт.

1a

NSS

NOT SOLD SEPARAT

1шт.

2

14463481

O-RING,1.109" ID x 0.139" Width

1шт.

3

16586324

BOLT,Hex, M8 x 20mm, Cl 8.8, Full Thd

1шт.

Выбрано товаров: 4