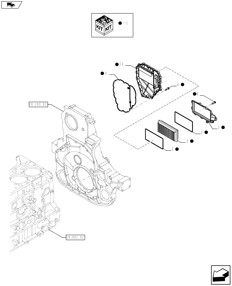
Запчасти Case IH F3BFA613B E002 (10.101.03) - ENGINE BREATHERS (10) - ENGINE

Схема запчастей Case IH F3BFA613B E002 - (10.101.03) - ENGINE BREATHERS (10) - ENGINE
6
1
1
1
1
1
2
1a
home
5
10.103.03
1
1
3
5
1
1
1
10.001.02
4
6
FIT
1:1
100%

Артикул

Название

Примечание

Количество

1

504359941

BREATHER

Assy, Contains Ref. 1A, 2 - 6

1шт.

1a

NSS

NOT SOLD SEPARAT

1шт.

2

500383040

AIR FILTER

1шт.

3

500361556

COVER

1шт.

4

500382999

GASKET

1шт.

5

500383043

GASKET

2шт.

6

500383042

SCREW

25шт.

Выбрано товаров: 0