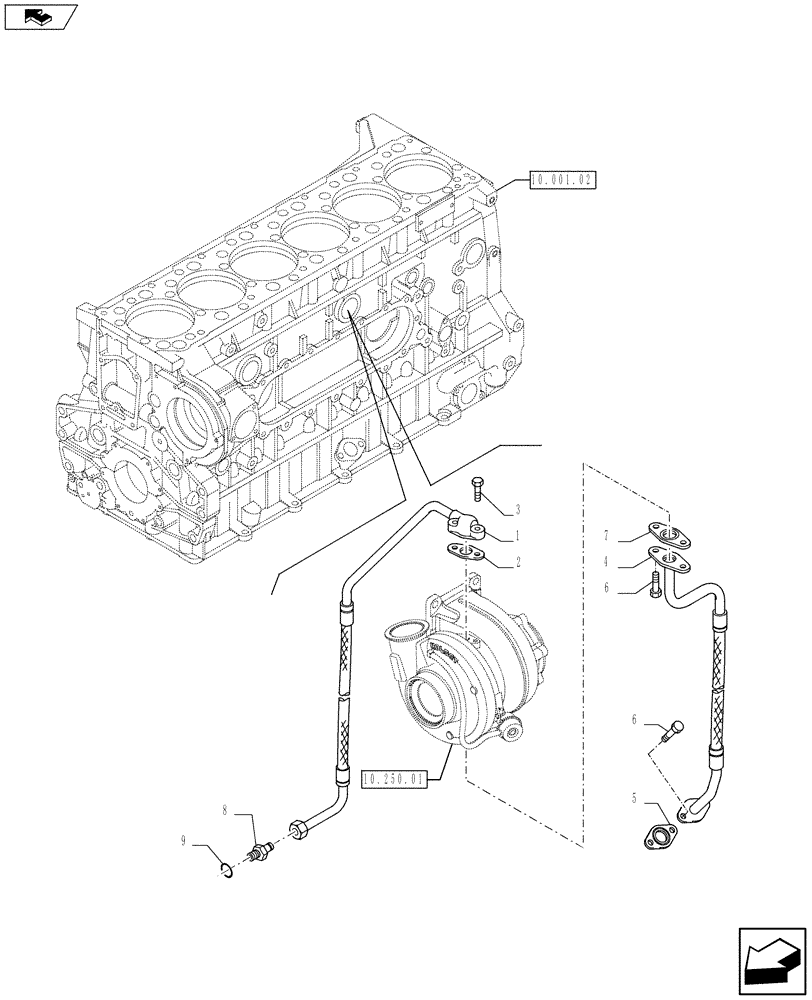
Запчасти Case IH F3BFA613B E002 (10.250.02[01]) - TURBOCHARGER & RELATED PARTS (10) - ENGINE

Схема запчастей Case IH F3BFA613B E002 - (10.250.02[01]) - TURBOCHARGER & RELATED PARTS (10) - ENGINE
1
8
5
2
6
3
6
9
10.250.01
7
10.001.02
home
4
FIT
1:1
100%

Артикул

Название

Примечание

Количество

1

5801372104

PIPE

1шт.

2

5801417018

GASKET

1шт.

3

16586625

BOLT,M8 x 35mm

M8 x 35

2шт.

4

5801419739

TUBE

1шт.

5

99475979

GASKET

1шт.

6

16673635

BOLT,Hex, M8 x 1.25 x 20mm, Full Thd

4шт.

7

4891288

GASKET,0.8mm Thk

1шт.

8

504081274

HYD CONNECTOR

1шт.

9

99489019

SEALING WASHER

1шт.

Выбрано товаров: 9