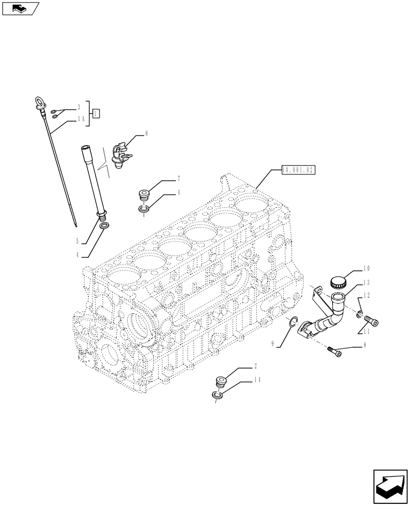
Запчасти Case IH F3BFA613B E002 (10.304.01[01]) - OIL LEVEL CHECK (10) - ENGINE

Схема запчастей Case IH F3BFA613B E002 - (10.304.01[01]) - OIL LEVEL CHECK (10) - ENGINE
7
1
11
5
10
8
1a
9
2
12
14
13
6
3
4
10.001.02
home
4
FIT
1:1
100%

Артикул

Название

Примечание

Количество

1

504124642

DIPSTICK

ASSY

1шт.

1a

NSS

NOT SOLD SEPARAT

1шт.

2

11903211

PLUG,M12 x 1.25 x 12, Cl5.8

1шт.

3

504027969

SEALING RING

SEALRING

2шт.

4

5167640

SEALING WASHER,14.09mm ID x 26.45mm OD x 1.5mm Thk

2шт.

5

504124643

PIPE

1шт.

6

500349848

CLAMP

1шт.

7

16992515

PLUG

1шт.

8

16691324

HEX SOC SCREW,M8 x 60mm

2шт.

9

14458681

O-RING,1.487" ID x 0.103" Width

1шт.

10

2852136

CAP,48mm ID x 56mm OD x 18mm W

1шт.

11

16697821

SCREW

1шт.

12

17798674

LOCK WASHER

1шт.

13

504383132

NECK FILLER

1шт.

14

99489017

GASKET,9.9mm ID x 20mm OD x 2.5mm Thk

1шт.

Выбрано товаров: 15