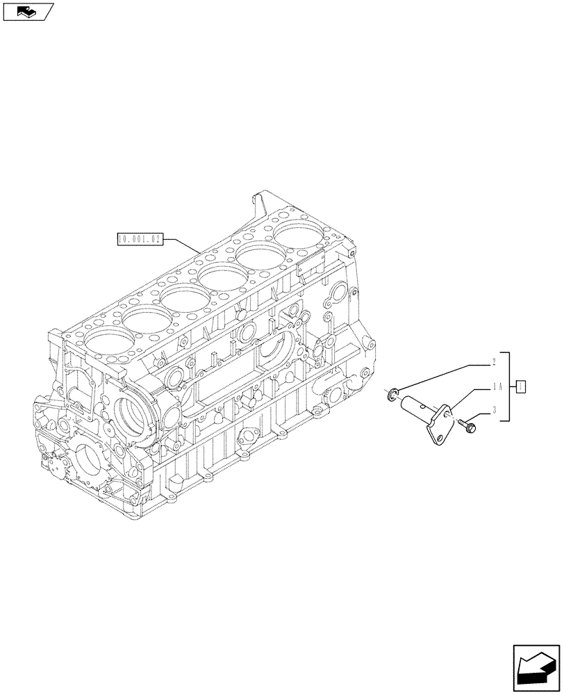
Запчасти Case IH F3BFA613C E005 (10.304.04) - OIL PRESSURE REGULATION VALVE (99459425) (10) - ENGINE

Схема запчастей Case IH F3BFA613C E005 - (10.304.04) - OIL PRESSURE REGULATION VALVE (99459425) (10) - ENGINE
2
home
10.001.02
1
3
1a
FIT
1:1
100%

Артикул

Название

Примечание

Количество

1

500378929

VALVE

ASSY

1шт.

1a

NSS

NOT SOLD SEPARAT

1шт.

2

14463481

O-RING,1.109" ID x 0.139" Width

1шт.

3

16586324

BOLT,Hex, M8 x 20mm, Cl 8.8, Full Thd

1шт.

Выбрано товаров: 0