Качественные детали и логистика
Оригинальные и аналоговые запчасти с доставкой по России, Казахстану и Беларуси
©2022 PartSell ООО "Система" ИНН 2463123282 ОГРН 1212400004838
Центральный офис: г. Красноярск, Академика Киренского, д.87, пом.4
Телефон: 8 (800) 777-65-74 Email: zakaz@partsell.ru
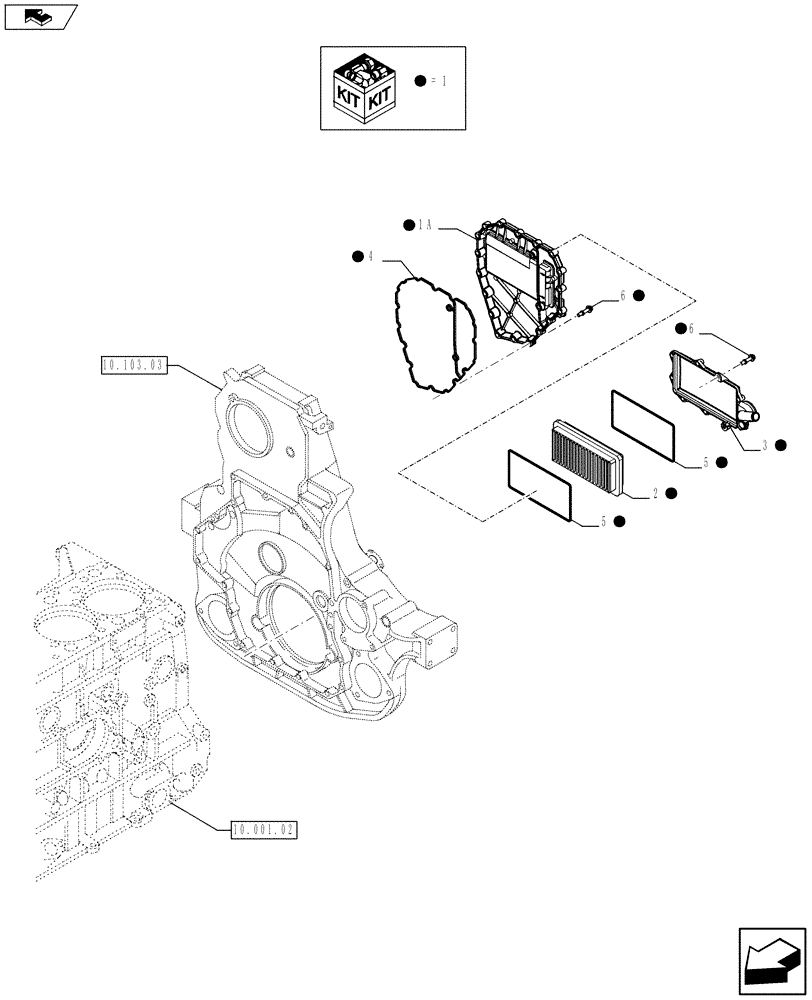
(10.101.03) - ENGINE BREATHERS
№
Артикул
Название
Примечание
Количество
1
504359941
BREATHER
Assy, Contains Ref. 1A, 2 - 6
1шт.
1a
NSS
NOT SOLD SEPARAT
2
500383040
AIR FILTER
3
500361556
COVER
4
500382999
GASKET
5
500383043
2шт.
6
500383042
SCREW
25шт.
Выбрано товаров: 7