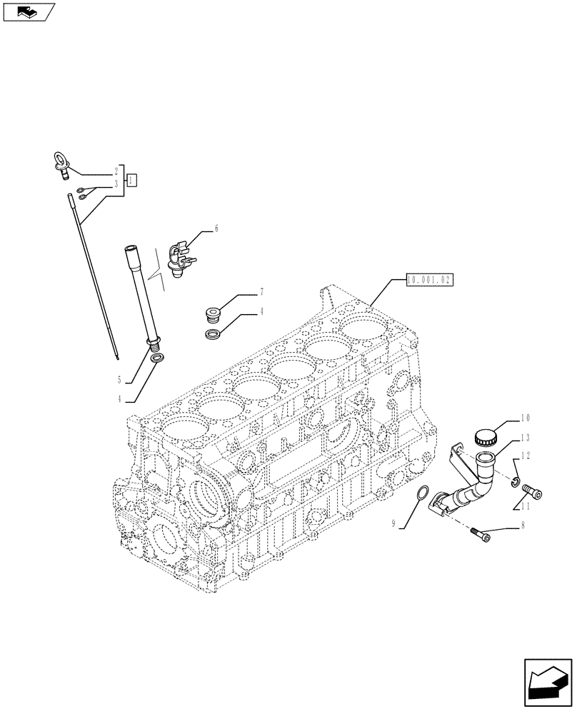
Запчасти Case IH F3BFE613A A001 (10.102.03) - OIL LEVEL CHECK (504126782 - 504124642 - 504383131) (10) - ENGINE

Схема запчастей Case IH F3BFE613A A001 - (10.102.03) - OIL LEVEL CHECK (504126782 - 504124642 - 504383131) (10) - ENGINE
8
4
9
13
home
1
12
11
7
5
6
10
3
4
10.001.02
2
FIT
1:1
100%

Артикул

Название

Примечание

Количество

1

504124642

DIPSTICK

ASSY

1шт.

2

504157200

KNOB

1шт.

3

504027969

SEALING RING

SEALRING

2шт.

4

5167640

SEALING WASHER,14.09mm ID x 26.45mm OD x 1.5mm Thk

2шт.

5

504124643

PIPE

1шт.

6

500349848

CLAMP

1шт.

7

16992515

PLUG

1шт.

8

16691324

HEX SOC SCREW,M8 x 60mm

2шт.

9

14458681

O-RING,1.487" ID x 0.103" Width

1шт.

10

2852136

CAP,48mm ID x 56mm OD x 18mm W

1шт.

11

16697821

SCREW

1шт.

12

17798674

LOCK WASHER

1шт.

13

504383132

NECK FILLER

1шт.

Выбрано товаров: 13