Запчасти Case IH F3BFE613A A002 (10.120.01) - ENGINE EXHAUST BRAKE (504053957) (10) - ENGINE

Схема запчастей Case IH F3BFE613A A002 - (10.120.01) - ENGINE EXHAUST BRAKE (504053957) (10) - ENGINE
2
10.101.01
4
home
1
3
5
10.106.02
6
10.101.01
FIT
1:1
100%

Артикул

Название

Примечание

Количество

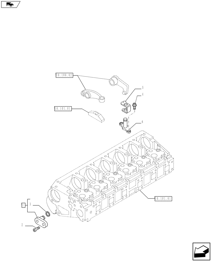
1

500340761

PLUG

ASSY

1шт.

2

16586225

BOLT,M8 x 16mm

1шт.

3

14452981

O-RING,0.07" Thk x 0.364" ID, -12, Cl 7, 75 Duro

D=9.2 x 1.7 mm

1шт.

4

16690524

SCREW,M8 x 20mm

M8 x 20

12шт.

5

500376911

SPRING

6шт.

6

504001460

SPACER

6шт.

Выбрано товаров: 0