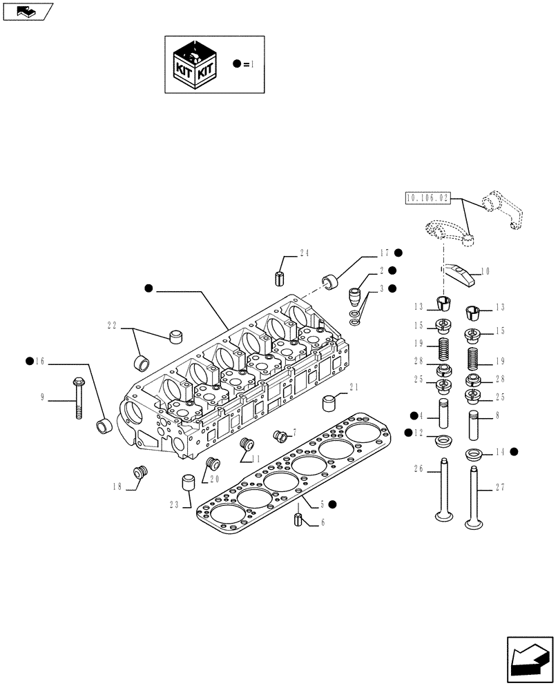
Запчасти Case IH F3BFE613B A001 (10.101.01) - CYLINDER HEAD & RELATED PARTS (5801372235 - 5801372224 - 504053193) (10) - ENGINE

Схема запчастей Case IH F3BFE613B A001 - (10.101.01) - CYLINDER HEAD & RELATED PARTS (5801372235 - 5801372224 - 504053193) (10) - ENGINE
10
28
1
24
20
1
27
19
25
5
25
10.106.02
15
14
28
9
8
1
home
16
1
13
17
1
18
1
21
6
12
22
3
13
19
1
23
1
1
1
11
15
2
7
4
1
26
FIT
1:1
100%

Артикул

Название

Примечание

Количество

1

500306404

CYLINDER HEAD

1шт.

1

47507107R

REMAN-CYLINDER HEAD

Complete With Valves

1шт.

1

47507107C

CORE-CYLINDER HEAD

Return Number

1шт.

2

99476929

CASE

6шт.

3

14454081

O-RING,1.051" ID x 0.07" Width

12шт.

4

504375602

VALVE GUIDE

12шт.

5

504007514

GASKET

1шт.

6

10839710

DOWEL,M10 x 15.00mm

2шт.

7

16992411

PLUG

2шт.

8

504375600

VALVE GUIDE

12шт.

9

98495527

BOLT

20шт.

9

98495528

SCREW,Shldr, Hex Flg, M18 x 2 x 175mm

6шт.

10

504002605

CROSSRAIL

12шт.

11

504138062

PLUG

2шт.

12

504362587

VALVE SEAT

12шт.

13

14196370

ROCKER ARM COTTER

48шт.

14

504362588

VALVE SEAT

12шт.

15

98473050

COTTERS PLATE

24шт.

16

504003914

BUSHING

6шт.

17

504003915

BUSHING

1шт.

18

98472271

PLUG

3шт.

18

504138060

PLUG

1шт.

19

504100000

SPRING

24шт.

20

504182706

PLUG

1шт.

21

16991370

PLUG

2шт.

22

16990870

PLUG

13шт.

23

16990570

PLUG

12шт.

24

17255674

ROLL PIN

1шт.

25

504367479

PACKING RING

12шт.

26

500355778

STD INLET VALVE

STD ENGINE INLET VALVE

12шт.

27

504375458

STD EXHAUST VALVE

STD ENGINE EXHAUST VALVE

12шт.

28

504107641

CUP

24шт.

Выбрано товаров: 32