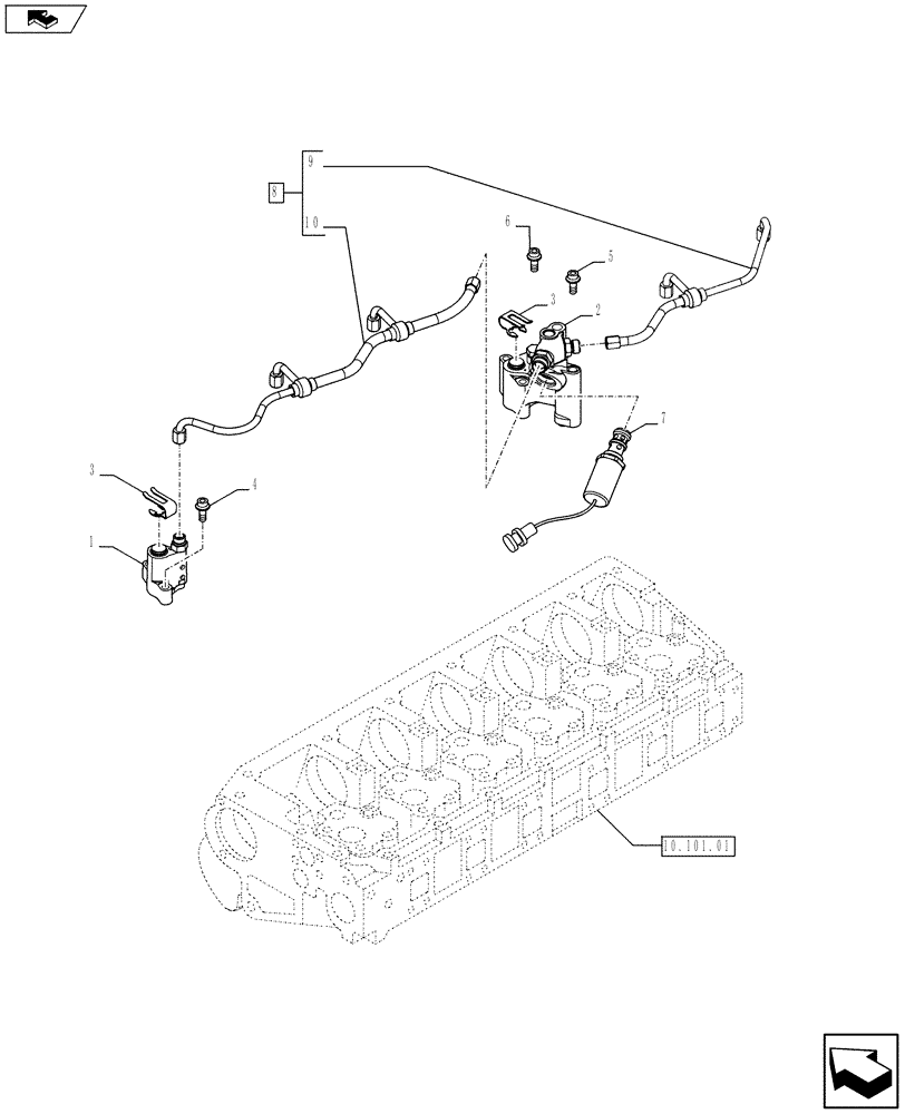
Запчасти Case IH F3BFE613B A001 (10.120.01) - ENGINE EXHAUST BRAKE (504321476) (10) - ENGINE

Схема запчастей Case IH F3BFE613B A001 - (10.120.01) - ENGINE EXHAUST BRAKE (504321476) (10) - ENGINE
8
4
3
5
2
7
1
10.101.01
3
home
9
10
6
FIT
1:1
100%

Артикул

Название

Примечание

Количество

1

504222834

BRAKE

5шт.

2

504222833

BRAKE

1шт.

3

500376911

SPRING

6шт.

4

16707334

BOLT,M8 x 30mm, Cl 10.9

10шт.

5

16691724

BOLT

1шт.

6

16691324

HEX SOC SCREW,M8 x 60mm

2шт.

7

504305972

ELECTRO-VALVE

1шт.

8

500308827

TUBE

ASSY

1шт.

9

500336760

PIPE

1шт.

10

500336756

PIPE

1шт.

Выбрано товаров: 10