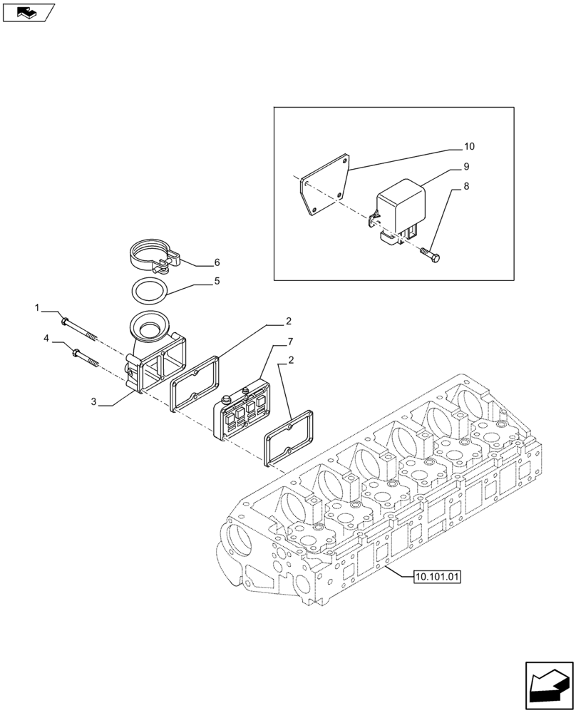
Запчасти Case IH F3BFE613B A002 (10.254.01) - AIR LINES (504106378 - 504093419) (10) - ENGINE

Схема запчастей Case IH F3BFE613B A002 - (10.254.01) - AIR LINES (504106378 - 504093419) (10) - ENGINE
2
6
10.101.01
3
2
5
1
9
7
home
4
10
8
FIT
1:1
100%

Артикул

Название

Примечание

Количество

1

16599325

SCREW,M10 x 150mm

4шт.

2

504026624

GASKET

1шт.

3

504074687

MANIFOLD

1шт.

4

16593125

BOLT,M10 x 100mm

2шт.

5

17291281

GASKET,94.84mm ID x 3.53mm Thk

M94.84 x 3.53

1шт.

6

99435103

COLLAR CLAMP

1шт.

7

504154987

HEATER

1шт.

8

504026624

GASKET

1шт.

9

86619908

RELAY,12V, 150A

1шт.

10

504031939

BRACKET

1шт.

11

16585724

BOLT,M6 x 16mm, Cl 8.8

4шт.

Выбрано товаров: 11