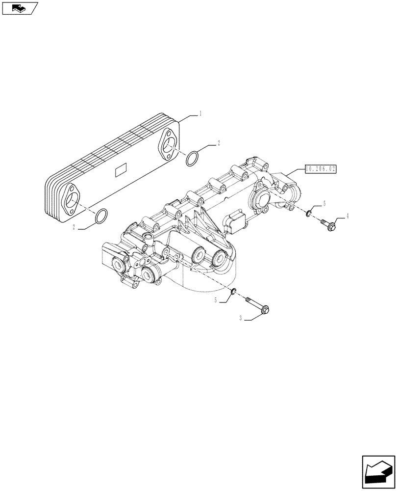
Запчасти Case IH F3BFE613B A002 (10.408.01) - HEAT EXCHANGER (504236009) (10) - ENGINE

Схема запчастей Case IH F3BFE613B A002 - (10.408.01) - HEAT EXCHANGER (504236009) (10) - ENGINE
10.206.02
5
3
1
2
5
2
4
home
FIT
1:1
100%

Артикул

Название

Примечание

Количество

1

504221052

OIL COOLER

1шт.

2

14459081

O-RING,1.737" ID x 0.103" Width

2шт.

3

16592625

SCREW,M8 x 80mm

M8 x 80

2шт.

4

16586525

BOLT,Hex, M8 x 30mm, Cl 8.8

M8 x 30

2шт.

5

99489014

SEALING WASHER

4шт.

Выбрано товаров: 5