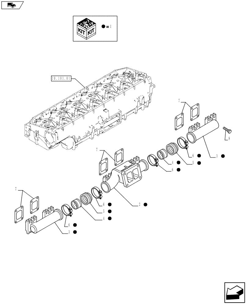
Запчасти Case IH F3BFE613D A015 (10.254.05) - EXHAUST MANIFOLD (5801395348) (10) - ENGINE

Схема запчастей Case IH F3BFE613D A015 - (10.254.05) - EXHAUST MANIFOLD (5801395348) (10) - ENGINE
3
1
1
1
1
6
6
1
1
7
4
1
10.101.01
6
1
3
1
1
5
7
8
1
home
6
4
1
7
2
1
5
FIT
1:1
100%

Артикул

Название

Примечание

Количество

1

5801395351

ASSY

1шт.

2

504387396

EXHAUST MANIFOLD

1шт.

3

99443710

EXHAUST MANIFOLD

2шт.

4

99443770

RING

2шт.

5

99443769

RING

2шт.

6

500305816

HOSE CLIP

4шт.

7

504154280

GASKET

6шт.

8

99443210

SCREW,M10 x 1.5 x 40

M10 x 70

24шт.

Выбрано товаров: 8