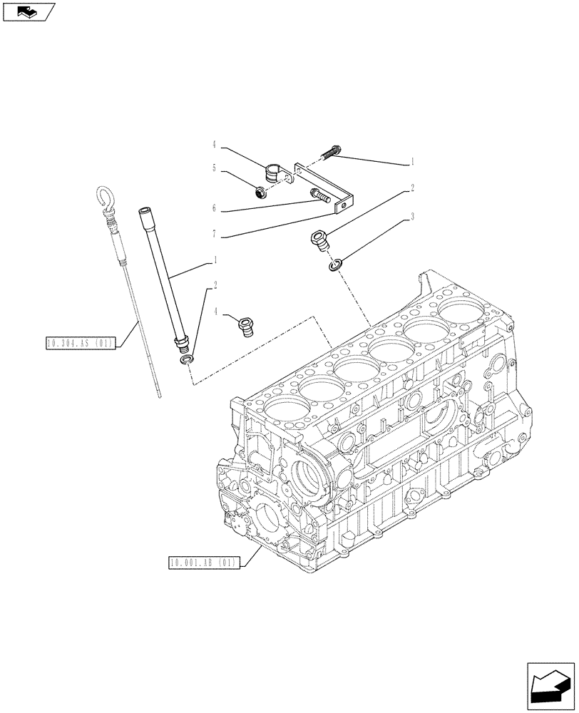
Запчасти Case IH F3BFE613E A015 (10.304.AS[02]) - ENGINE OIL, DIPSTICK (10) - ENGINE

Схема запчастей Case IH F3BFE613E A015 - (10.304.AS[02]) - ENGINE OIL, DIPSTICK (10) - ENGINE
1
10.304.as (01)
1
3
2
4
5
4
6
home
2
7
10.001.ab (01)
FIT
1:1
100%

Артикул

Название

Примечание

Количество

1

2852389

FLANGE NUT

M8 x 1.25

1шт.

2

5167640

SEALING WASHER,14.09mm ID x 26.45mm OD x 1.5mm Thk

D = 18 mm

2шт.

3

504117954

TUBE

1шт.

4

17316699

CLAMP

D = 14 mm

1шт.

5

504066745

BRACKET

1шт.

6

16586225

BOLT,M8 x 16mm

M8 x 1.25 x 16

2шт.

7

16992515

PLUG

M8 x 1.5

1шт.

8

11903211

PLUG,M12 x 1.25 x 12, Cl5.8

M12 x 1.5

1шт.

9

99489017

GASKET,9.9mm ID x 20mm OD x 2.5mm Thk

D = 12 mm

1шт.

Выбрано товаров: 9