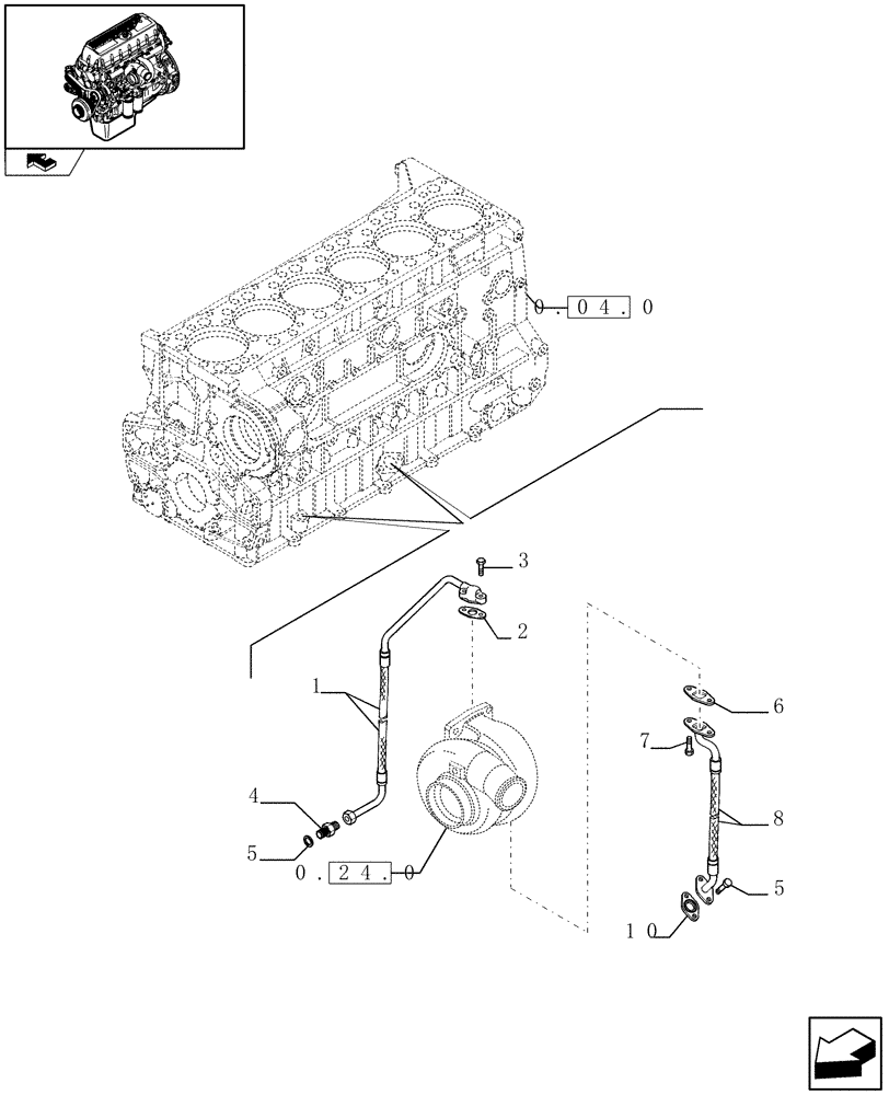
Запчасти Case IH F3CE0684A E001 (0.30.63) - TURBOBLOWER PIPES (504139846 - 504229509)

Схема запчастей Case IH F3CE0684A E001 - (0.30.63) - TURBOBLOWER PIPES (504139846 - 504229509)
3
0.04.0
0.24.0
1
home
5
2
6
5
7
8
4
10
FIT
1:1
100%

Артикул

Название

Примечание

Количество

1

504139847

RIGID TUBE

1шт.

2

61318303

GASKET

1шт.

3

16586625

BOLT,M8 x 35mm

M8 x 35

2шт.

4

16500314

FITTING

1шт.

5

99489019

SEALING WASHER

1шт.

6

98412509

GASKET,0.8mm Thk

1шт.

7

16586425

BOLT,M8 x 25mm

M8 x 1.25 x 20

2шт.

8

504229510

HOSE ASSY.

1шт.

9

16586425

BOLT,M8 x 25mm

M8 x 25

2шт.

10

99475979

GASKET

1шт.

Выбрано товаров: 10