Запчасти Case IH F3CE0684E E920 (10.105.AB) - CONNECTING ROD (10) - ENGINE

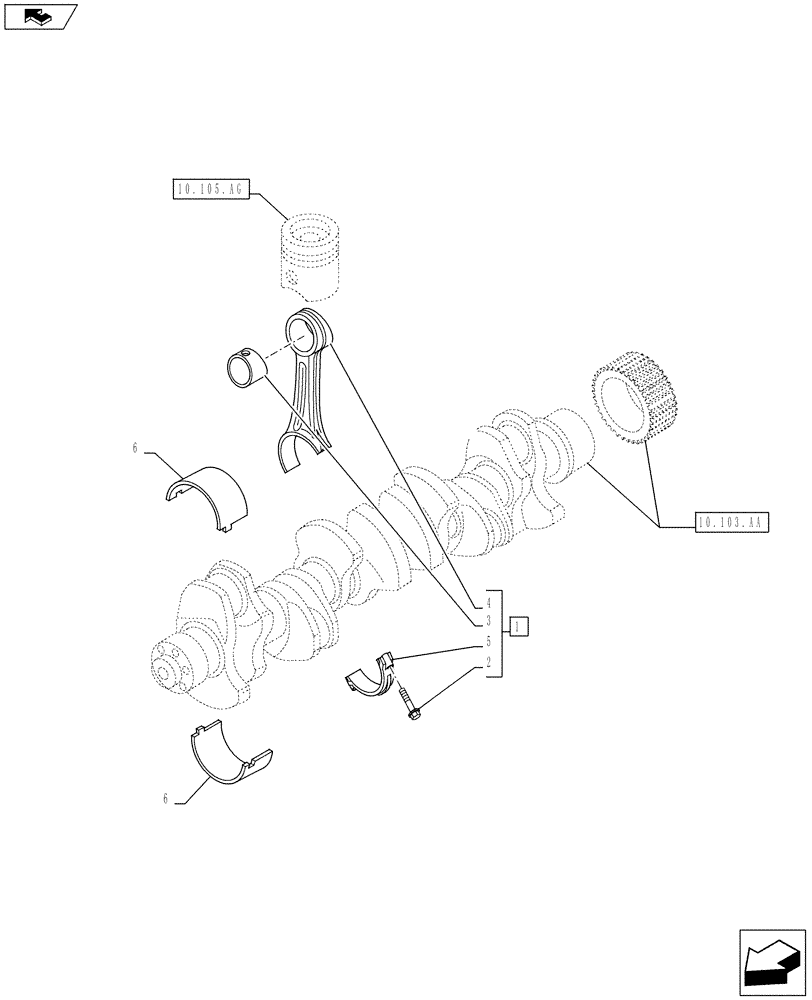
Схема запчастей Case IH F3CE0684E E920 - (10.105.AB) - CONNECTING ROD (10) - ENGINE
10.103.aa
5
home
3
6
4
1
2
6
10.105.ag
FIT
1:1
100%

Артикул

Название

Примечание

Количество

1

504028545

CONNECTING ROD

ASSY, Incl 2 - 5

6шт.

504028545R

REMAN-CONNECTING ROD

F3CE0684E*E920 ENGINE - 5801464765 - 84299572 (9/12-)

6шт.

504028545C

CORE-ROD CONNECTING

Return Number

1шт.

2

99431774

BOLT

12шт.

3

99460197

BUSHING

6шт.

4

NSS

NOT SOLD SEPARAT

Rod, Incl in 1

6шт.

5

NSS

NOT SOLD SEPARAT

Cap, Incl in 1

6шт.

6

2992158

SET OF CONN ROD BRGS STD,Red

6шт.

6

2992159

SET OF CONN ROD BRGS STD,Green

6шт.

6

2992160

SET OF CONN ROD BRGS U/S,0.127, Red/Black

6шт.

6

2992161

SET OF CONN ROD BRGS U/S,0.127, Green/Black

6шт.

6

2992162

SET OF CONN ROD BRGS U/S,0.254, Red

6шт.

6

2992163

SET OF CONN ROD BRGS U/S,0.254, Green

6шт.

6

2992164

SET OF CONN ROD BRGS U/S,0.508, Red

6шт.

6

2992165

SET OF CONN ROD BRGS U/S,0.508, Green

6шт.

Выбрано товаров: 15