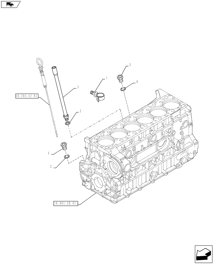
Запчасти Case IH F3CE0684E E920 (10.304.AJ[02]) - SUPPORT TUBE - ENGINE OIL DIPSTICK (10) - ENGINE

Схема запчастей Case IH F3CE0684E E920 - (10.304.AJ[02]) - SUPPORT TUBE - ENGINE OIL DIPSTICK (10) - ENGINE
2
1
6
10.304.aj 01
5
3
4
home
2
10.001.ab 01
FIT
1:1
100%

Артикул

Название

Примечание

Количество

1

500349848

CLAMP

1шт.

2

5167640

SEALING WASHER,14.09mm ID x 26.45mm OD x 1.5mm Thk

2шт.

3

504117954

TUBE

1шт.

4

16992515

PLUG

1шт.

5

11903211

PLUG,M12 x 1.25 x 12, Cl5.8

1шт.

6

99489017

GASKET,9.9mm ID x 20mm OD x 2.5mm Thk

2шт.

Выбрано товаров: 6