Качественные детали и логистика
Оригинальные и аналоговые запчасти с доставкой по России, Казахстану и Беларуси
©2022 PartSell ООО "Система" ИНН 2463123282 ОГРН 1212400004838
Центральный офис: г. Красноярск, Академика Киренского, д.87, пом.4
Телефон: 8 (800) 777-65-74 Email: zakaz@partsell.ru
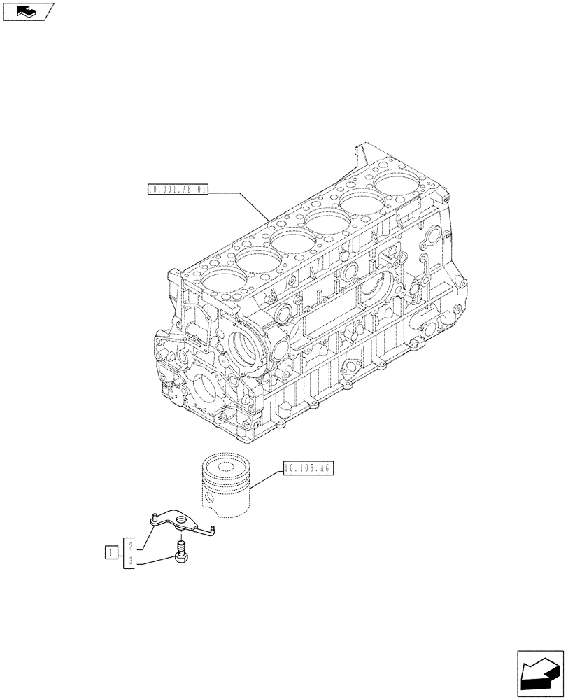
(10.001.AB[02]) - CRANKCASE
№
Артикул
Название
Примечание
Количество
1
504356426
LUBE OIL NOZZLE
ASSY, Incl 2, 3
6шт.
2
NSS
NOT SOLD SEPARAT
Nozzle, Incl in 1
3
Fitting, Incl in 1
Выбрано товаров: 0