Запчасти Case IH F3CE9684A H001 (10.210.AF[01]) - FUEL LINE (10) - ENGINE

Схема запчастей Case IH F3CE9684A H001 - (10.210.AF[01]) - FUEL LINE (10) - ENGINE
7
7
10.210.af (02)
6
6
9
10.206.ag
8
4
7
11
7
6
6
10
10.218.aq
7
10.101.aa
13
2
4
7
6
10.210.af (02)
6
55.010.aa
6
6
3
12
6
1
5
FIT
1:1
100%

Артикул

Название

Примечание

Количество

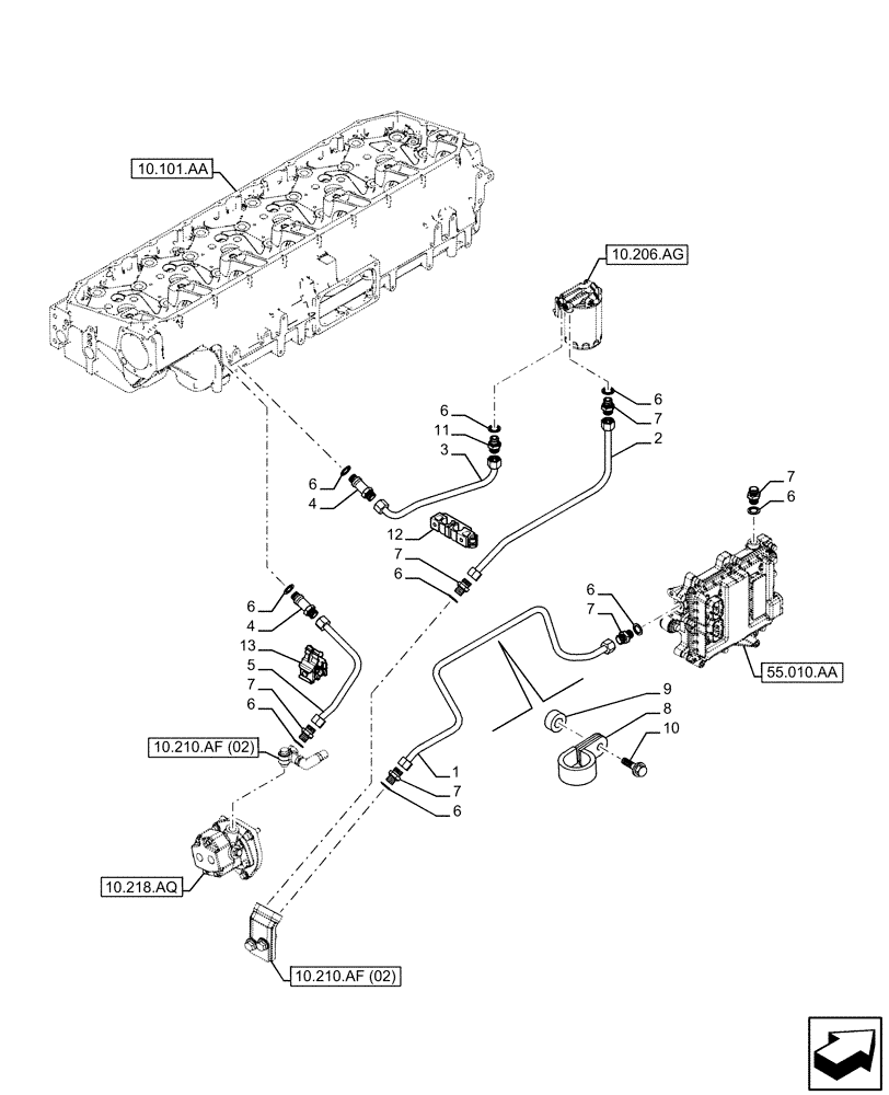
1

500313907

RIGID TUBE

Fuel Line to Fuel Pump

1шт.

2

5801664458

FUEL TUBE

Fuel Line to Filter

1шт.

3

5801664502

FUEL TUBE

Fuel Line

1шт.

4

500310076

FITTING

M16 x 1.5 - M18 x 1.5

2шт.

5

500352447

RIGID TUBE

1шт.

6

99489019

SEALING WASHER

16 x 24 x 1.5mm Dia

9шт.

7

504081274

HYD CONNECTOR

M16 x 1.5 - M18 x 1.5

7шт.

7

16500314

FITTING

2шт.

8

17316592

COLLAR

2шт.

9

17816214

SPACER

2шт.

10

16586425

BOLT,M8 x 25mm

2шт.

11

16500314

FITTING

M16 x 1.5 - M18 x 1.5

1шт.

11

16500315

HYD CONNECTOR

1шт.

12

5801609747

CLIP

1шт.

13

504052515

RETAINER

1шт.

Выбрано товаров: 15