Качественные детали и логистика
Оригинальные и аналоговые запчасти с доставкой по России, Казахстану и Беларуси
©2022 PartSell ООО "Система" ИНН 2463123282 ОГРН 1212400004838
Центральный офис: г. Красноярск, Академика Киренского, д.87, пом.4
Телефон: 8 (800) 777-65-74 Email: zakaz@partsell.ru
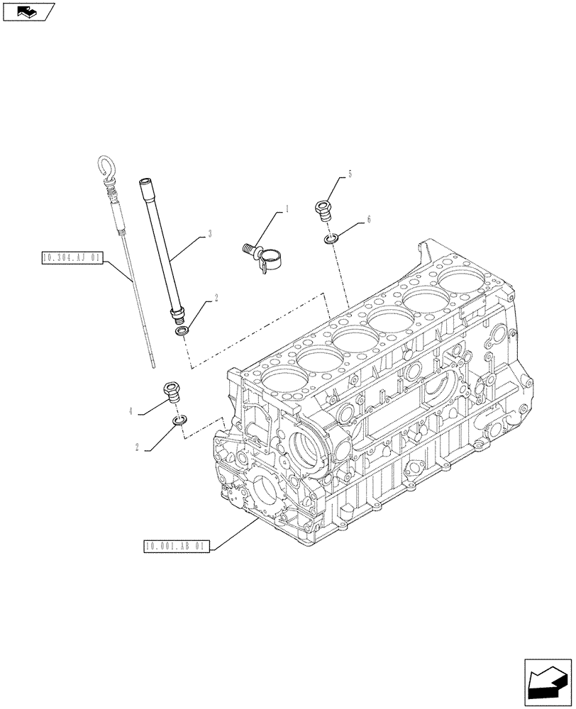
(10.304.AJ[02]) - SUPPORT TUBE - ENGINE OIL DIPSTICK
№
Артикул
Название
Примечание
Количество
1
500349848
CLAMP
1шт.
2
5801398260
SEAL
2шт.
3
5801883771
TUBE
4
504023175
HYD CONNECTOR
5
11903211
PLUG,M12 x 1.25 x 12, Cl5.8
6
99489017
GASKET,9.9mm ID x 20mm OD x 2.5mm Thk
Выбрано товаров: 0