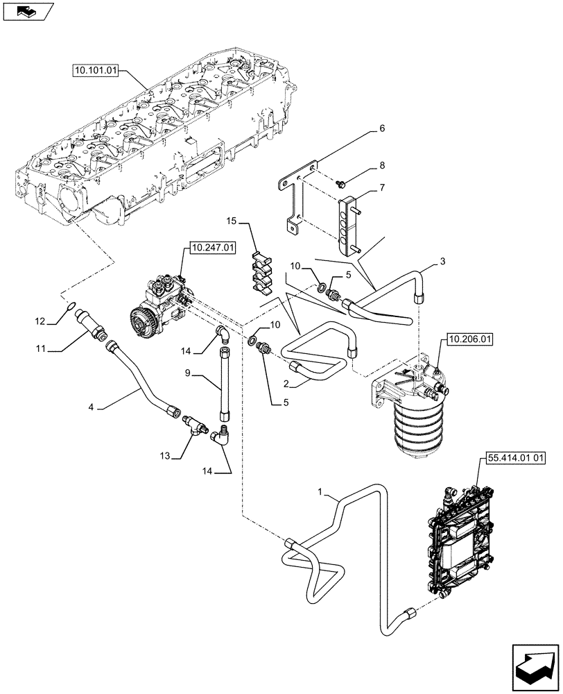
Запчасти Case IH F3DFA613A E001 (10.218.04) - FUEL LINES & RELATED PARTS (504386745) (10) - ENGINE

Схема запчастей Case IH F3DFA613A E001 - (10.218.04) - FUEL LINES & RELATED PARTS (504386745) (10) - ENGINE
8
55.414.01 01
10
14
10.101.01
10.247.01
10.206.01
5
11
15
home
2
14
6
7
12
5
9
13
4
3
10
1
FIT
1:1
100%

Артикул

Название

Примечание

Количество

1

504388449

PIPE

from Pump to Control Unit line

1шт.

2

504388455

PIPE

from Pump to Filter line

1шт.

3

504388465

PIPE

from Filter to Pump line

1шт.

4

504388514

PIPE

1шт.

5

504081274

HYD CONNECTOR

M18X1.5-M18X1.5

2шт.

6

504382029

BRACKET, SUPPORTING

1шт.

7

504358736

LOCK

1шт.

8

2852323

SCREW,M8 x 1.25 x 14mm

2шт.

9

504375711

PIPE

1шт.

10

4858609

WASHER,Brass

2шт.

11

500310076

FITTING

1шт.

12

99489019

SEALING WASHER

2шт.

13

16506019

TEE

1шт.

14

16504114

ELBOW

2шт.

15

504388029

LOCK

2шт.

Выбрано товаров: 15