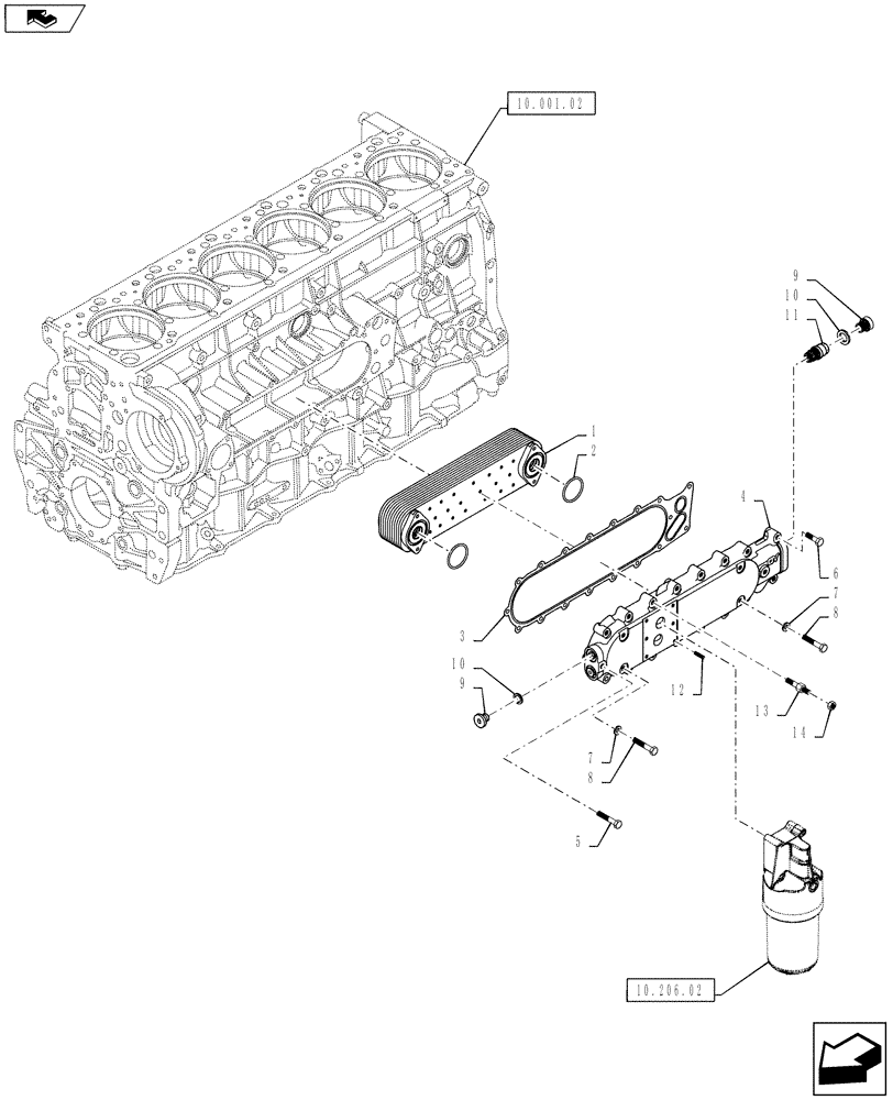
Запчасти Case IH F3DFA613B E003 (10.408.01) - HEAT EXCHANGER (5801379223) (10) - ENGINE

Схема запчастей Case IH F3DFA613B E003 - (10.408.01) - HEAT EXCHANGER (5801379223) (10) - ENGINE
3
8
1
11
10.206.02
10.001.02
7
9
home
10
9
12
5
14
13
6
10
7
4
8
2
FIT
1:1
100%

Артикул

Название

Примечание

Количество

1

5801379224

RADIATOR

1шт.

2

17289781

O-RING

2шт.

3

504388425

GASKET

1шт.

4

5801379227

BODY

1шт.

5

16592325

BOLT,M8 x 60mm

M8 x 60

2шт.

6

16586725

BOLT,Hex, M8 x 1.25 x 40mm

M8 x 40

16шт.

7

98474303

WASHER,8mm ID x 14mm OD x 2.3mm Thk

4шт.

8

16586825

BOLT,Hex, M8 x 1.25 x 45mm

M8 x 45

4шт.

9

10278301

PLUG,M28 x 1.5 x 11, Brass

4шт.

10

99432291

GASKET,28mm ID

4шт.

11

504142601

VALVE

1шт.

12

99435557

DOWEL,8.50mm Dia

1шт.

13

5801464442

SCREW

STUD

2шт.

14

2852389

FLANGE NUT

HEXAGON

2шт.

Выбрано товаров: 14