Запчасти Case IH F3DFE613B A001 (10.218.04) - FUEL LINES & RELATED PARTS (504386745) (10) - ENGINE

Схема запчастей Case IH F3DFE613B A001 - (10.218.04) - FUEL LINES & RELATED PARTS (504386745) (10) - ENGINE
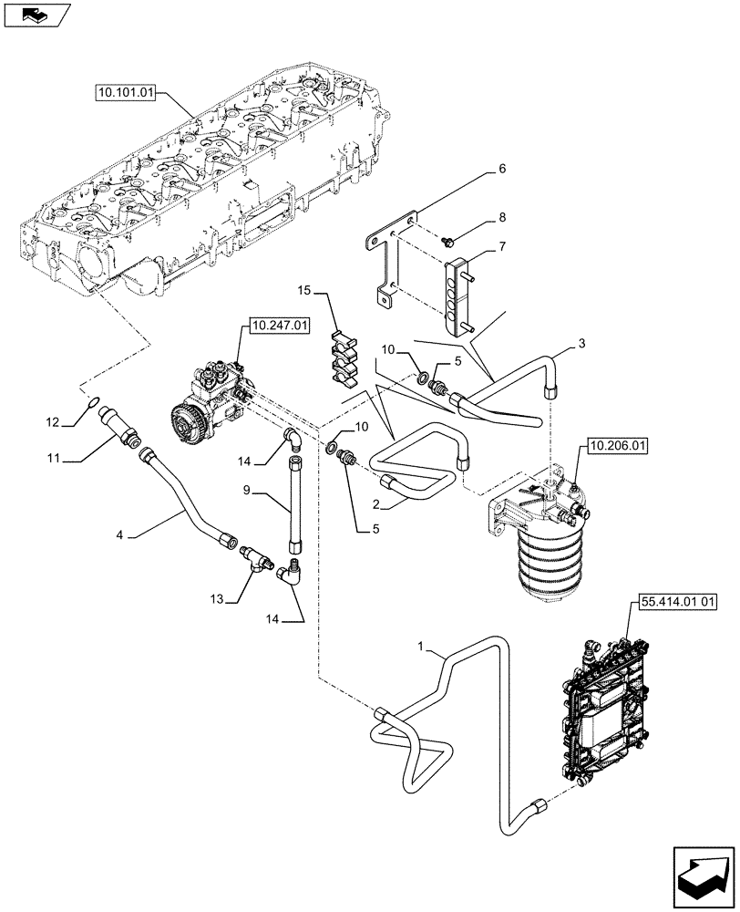
10
2
6
10
10.101.01
10.206.01
13
55.414.01 01
14
7
home
1
10.247.01
5
3
15
9
5
14
11
4
12
8
FIT
1:1
100%

Артикул

Название

Примечание

Количество

1

504388449

PIPE

from Pump to Control Unit line, Serial Range: -C4322

1шт.

1

5801404429

PIPE

from Pump to Control Unit line, Start Serial: D4322

1шт.

2

504388455

PIPE

from Pump to Filter line, Serial Range: -C4322

1шт.

2

5801404445

PIPE

from Pump to Filter line, Start Serial: D4322

1шт.

2

5801501533

HYD TUBE

Line with rubber coating

1шт.

3

504388465

PIPE

from Filter to Pump line, Serial Range: -C4322

1шт.

3

5801404450

PIPE

from Filter to Pump line, Start Serial: D4322

1шт.

4

504388514

PIPE

1шт.

5

4741574

M18X1.5-M18X1.5

HYD CONNECTOR

1шт.

6

504382029

BRACKET, SUPPORTING

1шт.

7

504358736

LOCK

1шт.

8

2852323

SCREW,M8 x 1.25 x 14mm

2шт.

9

504375711

PIPE

1шт.

10

98474311

SEALING WASHER

2шт.

11

500310076

FITTING

1шт.

12

99489019

SEALING WASHER

2шт.

13

16506019

TEE

1шт.

14

16504114

ELBOW

2шт.

15

504388029

LOCK

2шт.

Выбрано товаров: 0