Качественные детали и логистика
Оригинальные и аналоговые запчасти с доставкой по России, Казахстану и Беларуси
©2022 PartSell ООО "Система" ИНН 2463123282 ОГРН 1212400004838
Центральный офис: г. Красноярск, Академика Киренского, д.87, пом.4
Телефон: 8 (800) 777-65-74 Email: zakaz@partsell.ru
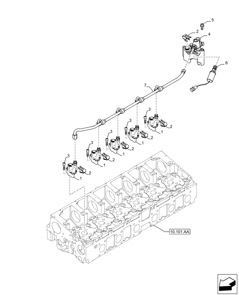
(10.120.AA) - ENGINE, BRAKE
№
Артикул
Название
Примечание
Количество
1
504222834
BRAKE
5шт.
2
500376911
SPRING
6шт.
3
16707334
BOLT,M8 x 30mm, Cl 10.9
M8 x 30 mm
11шт.
4
504387954
BRAKE CYLINDER
1шт.
5
16691324
HEX SOC SCREW,M8 x 60mm
M8 x 60 mm
2шт.
6
504305972
ELECTRO-VALVE
7
504371450
TUBE
Выбрано товаров: 7