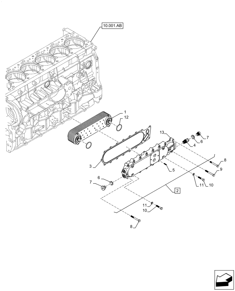
Запчасти Case IH F3DFE613F B001 (10.408.AC[01]) - ENGINE, HEAT EXCHANGER (10) - ENGINE

Схема запчастей Case IH F3DFE613F B001 - (10.408.AC[01]) - ENGINE, HEAT EXCHANGER (10) - ENGINE
11
3
4
5
8
7
10
12
10.001.ab
6
6
7
9
1
8
2
11
13
10
FIT
1:1
100%

Артикул

Название

Примечание

Количество

1

5801489595

HEAT EXCHANGER

1шт.

2

5801571519

BODY

Assy, Incl. 4 - 7; 13

1шт.

3

504388425

GASKET

1шт.

4

5801458893

VALVE

1шт.

5

99435557

DOWEL,8.50mm Dia

1шт.

6

5801560863

WASHER

2шт.

7

10278301

PLUG,M28 x 1.5 x 11, Brass

3шт.

8

16586725

BOLT,Hex, M8 x 1.25 x 40mm

16шт.

9

16592325

BOLT,M8 x 60mm

1шт.

10

16586825

BOLT,Hex, M8 x 1.25 x 45mm

4шт.

11

98474303

WASHER,8mm ID x 14mm OD x 2.3mm Thk

4шт.

12

17289781

O-RING

2шт.

13

NSS

NOT SOLD SEPARAT

Cover; Incl. in 2

1шт.

Выбрано товаров: 0