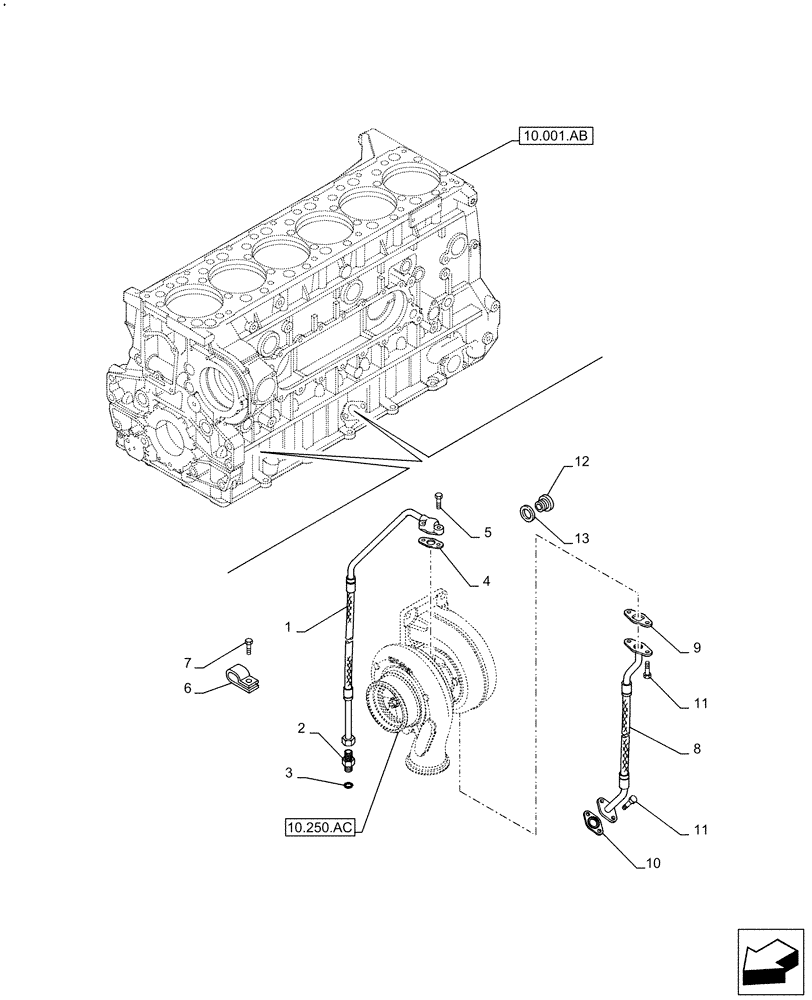
Запчасти Case IH F3GFE613A B001 (10.250.AD) - TURBOCHARGER LUBE LINE (10) - ENGINE

Схема запчастей Case IH F3GFE613A B001 - (10.250.AD) - TURBOCHARGER LUBE LINE (10) - ENGINE
8
4
5
1
12
11
13
10.001.ab
10
7
2
9
6
3
10.250.ac
11
FIT
1:1
100%

Артикул

Название

Примечание

Количество

1

5801665427

PIPE

1шт.

2

504081274

HYD CONNECTOR

1шт.

3

5801560870

WASHER

1шт.

4

504361972

GASKET

1шт.

5

16586625

BOLT,M8 x 35mm

2шт.

6

10441390

COLLAR,12mm, Coat, 7mm Bolt Hole, P Type

1шт.

7

16585870

SCREW,Hex, M6 x 20mm

1шт.

8

5801665454

PIPE

1шт.

9

504361974

GASKET

1шт.

10

99475979

GASKET

1шт.

11

16673735

BOLT,Hex, M8 x 1.25 x 25mm

4шт.

12

10300714

PLUG,M16 x 1.5 x 14

1шт.

13

99489019

SEALING WASHER

1шт.

Выбрано товаров: 13