Запчасти Case IH F3GFE613B B001 (10.408.AC) - HEAT EXCHANGER (10) - ENGINE

Схема запчастей Case IH F3GFE613B B001 - (10.408.AC) - HEAT EXCHANGER (10) - ENGINE
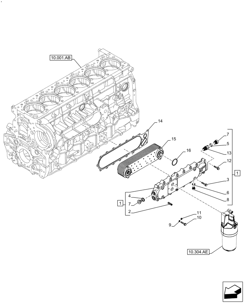
3
5
16
15
9
1
8
12
7
10.001.ab
11
14
13
4
1
2
10.304.ae
6
7
10
FIT
1:1
100%

Артикул

Название

Примечание

Количество

1

5801515988

COVER

ASSY, Incl 2 - 8, 13 - 12

1шт.

2

99435557

DOWEL,8.50mm Dia

1шт.

3

16592221

SCREW,Hex, M8 x 55mm, Cl 8.8

1шт.

4

16571960

GASKET

2шт.

5

99432291

GASKET,28mm ID

2шт.

6

99489019

SEALING WASHER

1шт.

7

16993511

PLUG,Lock, M28 x 1.5

4шт.

8

16992415

PLUG,M16 x 1.5

1шт.

9

98474303

WASHER,8mm ID x 14mm OD x 2.3mm Thk

4шт.

10

16586821

SCREW,Hex, M8 x 45mm, Cl 8.8

4шт.

11

5801535270

SPACER

1шт.

12

16586721

SCREW,Hex, M8 x 40mm, Cl 8.8

17шт.

13

5801458893

VALVE

1шт.

14

504388425

GASKET

1шт.

15

5801463042

HEAT EXCHANGER

1шт.

16

17289781

O-RING

2шт.

Выбрано товаров: 16