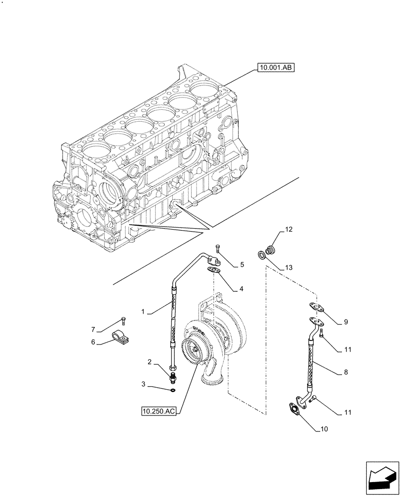
Запчасти Case IH F3GFE613B B003 (10.250.AD) - TURBOCHARGER LUBE LINE (10) - ENGINE

Схема запчастей Case IH F3GFE613B B003 - (10.250.AD) - TURBOCHARGER LUBE LINE (10) - ENGINE
10.001.ab
7
10
3
8
13
11
1
4
2
11
5
12
6
10.250.ac
9
FIT
1:1
100%

Артикул

Название

Примечание

Количество

1

5801665427

PIPE

1шт.

2

504081274

HYD CONNECTOR

1шт.

3

5801560870

WASHER

1шт.

4

504361972

GASKET

1шт.

5

16586625

BOLT,M8 x 35mm

2шт.

6

17314990

RETAINER COLLAR

1шт.

7

16585870

SCREW,Hex, M6 x 20mm

1шт.

8

5801497604

PIPE

1шт.

9

NS

NOT SERVICED

Gasket

1шт.

10

99475979

GASKET

1шт.

11

16673635

BOLT,Hex, M8 x 1.25 x 20mm, Full Thd

4шт.

12

16992415

PLUG,M16 x 1.5

1шт.

13

99489019

SEALING WASHER

1шт.

Выбрано товаров: 13