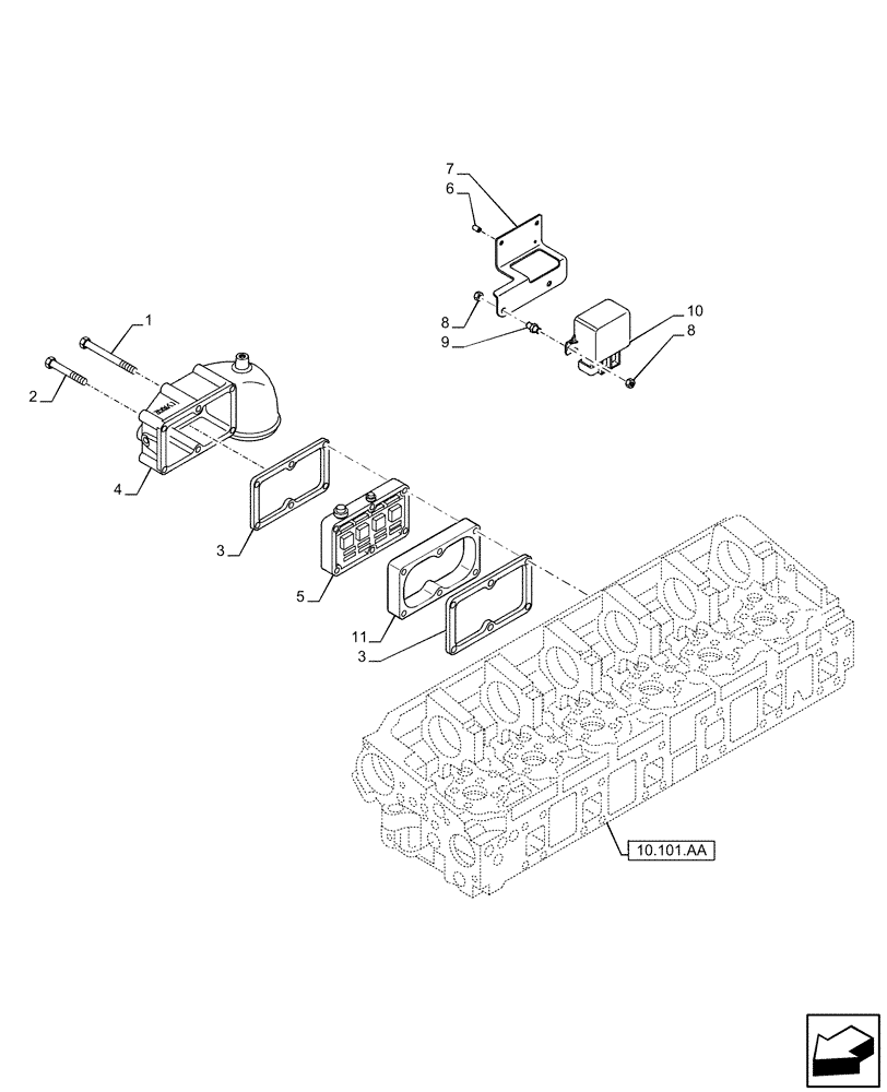
Запчасти Case IH F3GFE613B B003 (10.254.AM) - INLET MANIFOLD (10) - ENGINE

Схема запчастей Case IH F3GFE613B B003 - (10.254.AM) - INLET MANIFOLD (10) - ENGINE
10.101.aa
5
2
11
4
7
6
1
9
10
3
8
8
3
FIT
1:1
100%

Артикул

Название

Примечание

Количество

1

16599125

BOLT,Hex, M10 x 130mm, Cl 8.8

2шт.

1

16599325

SCREW,M10 x 150mm

1шт.

2

16593125

BOLT,M10 x 100mm

3шт.

3

504375264

GASKET,0.3mm Thk

2шт.

4

504074687

MANIFOLD

1шт.

5

NS

NOT SERVICED

Heater

1шт.

6

5801484382

SPACER

2шт.

7

5801712398

BRACKET

1шт.

8

NS

NOT SERVICED

Nut

4шт.

9

NS

NOT SERVICED

Lug

2шт.

10

NS

NOT SERVICED

Relay

1шт.

11

5801706292

SPACER

1шт.

Выбрано товаров: 12