Запчасти Case IH F3GFE613B B003 (10.304.AM) - PRESSURE CONTROL VALVE (10) - ENGINE

Схема запчастей Case IH F3GFE613B B003 - (10.304.AM) - PRESSURE CONTROL VALVE (10) - ENGINE
10.001.ab
3
2
1
FIT
1:1
100%

Артикул

Название

Примечание

Количество

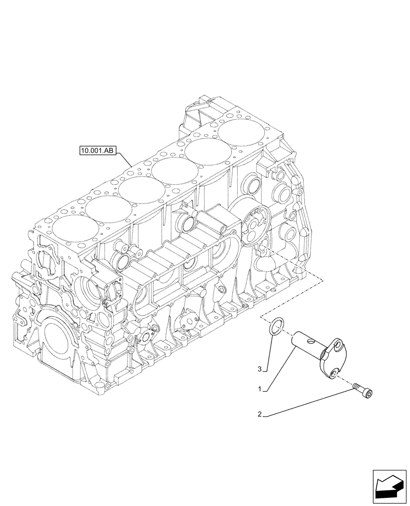
1

500378929

VALVE

ASSY, Incl 3, 4

1шт.

2

16673635

BOLT,Hex, M8 x 1.25 x 20mm, Full Thd

2шт.

3

17288881

SEALING RING

28,1mm Dia, 3,5mm Thk

1шт.

Выбрано товаров: 3