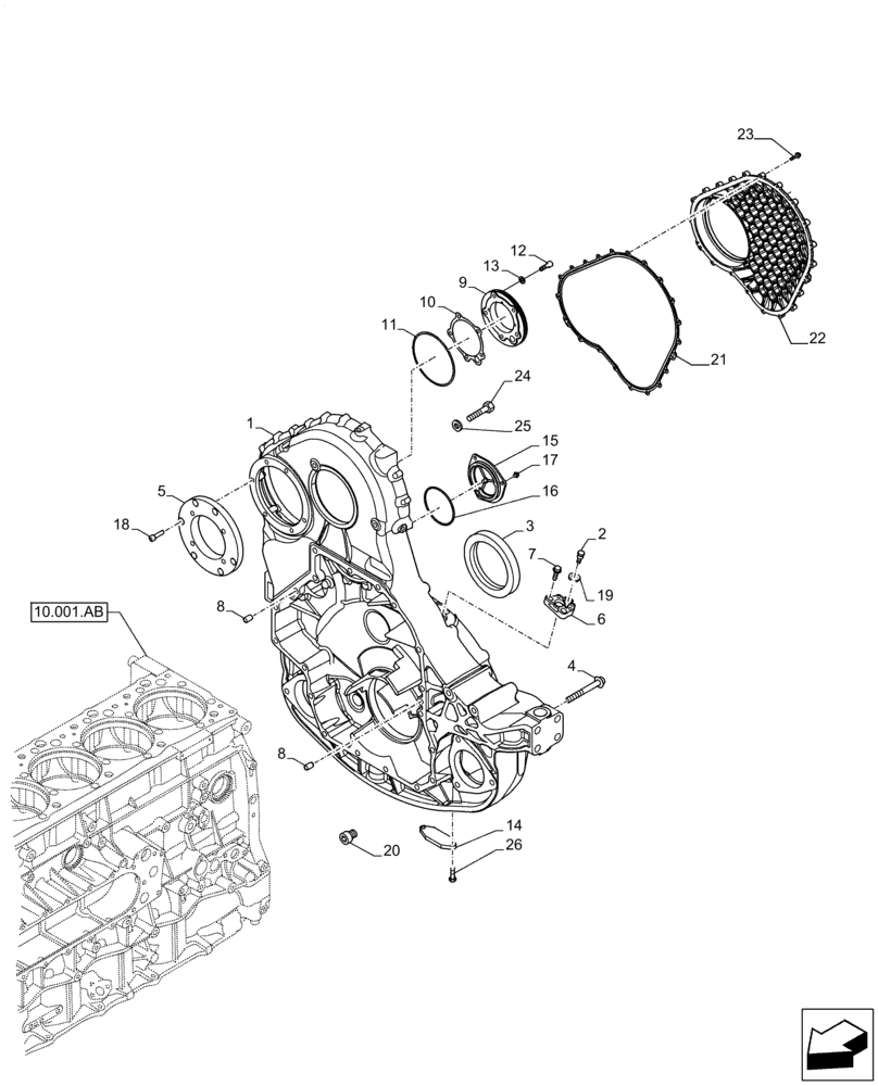
Запчасти Case IH F3HFE613 B003 (10.102.AK) - ENGINE BLOCK COVER (10) - ENGINE

Схема запчастей Case IH F3HFE613 B003 - (10.102.AK) - ENGINE BLOCK COVER (10) - ENGINE
17
25
16
23
14
3
2
24
20
9
10
13
4
8
11
1
8
15
19
5
26
12
22
21
7
10.001.ab
6
18
FIT
1:1
100%

Артикул

Название

Примечание

Количество

1

5801675128

HOUSING

1шт.

2

504087515

SCREW

1шт.

3

40102693

GASKET

1шт.

4

16588225

BOLT,Hex, M12 x 1.75 x 40mm

4шт.

4

16593625

BOLT,M12 x 1.75 x 120mm

1шт.

4

16588825

BOLT,M12 x 70mm

2шт.

4

16593425

BOLT,M12 x 100mm

10шт.

4

2852323

SCREW,M8 x 1.25 x 14mm

2шт.

4

99475978

SCREW

1шт.

5

504383029

FLANGE

1шт.

6

504113483

MOUNTING PLATE

1шт.

7

16673735

BOLT,Hex, M8 x 1.25 x 25mm

2шт.

8

10839810

DOWEL,12mm OD x 18mm L

2шт.

8

10839610

DOWEL,M8 x 12mm

2шт.

9

500322294

PLATE

1шт.

10

99448739

GASKET

1шт.

11

14466981

O-RING,0.139" Thk x 5.109" ID, -251, Cl 7, 75 Duro

1шт.

12

14306424

HEX SOC SCREW,M8 x 1.25 x 25mm, Cl 8.8, Full Thd

5шт.

13

17096824

LOCK WASHER

5шт.

14

4851842

COVER

1шт.

15

5801620809

COVER

1шт.

16

99435566

SEAL

1шт.

17

16673635

BOLT,Hex, M8 x 1.25 x 20mm, Full Thd

3шт.

18

14306524

HEX SOC SCREW,M8 x 1.25 x 30mm, Cl 8.8, Full Thd

6шт.

19

16892924

WASHER

1шт.

20

504123677

INSERT

1шт.

21

5801400083

GASKET

1шт.

22

5801400082

COVER

1шт.

23

16585925

SCREW,Hex, M6 x 25mm, Cl 8.8

21шт.

24

16675835

SCREW,M10 x 30mm

2шт.

25

98474305

SEALING WASHER

2шт.

Выбрано товаров: 31