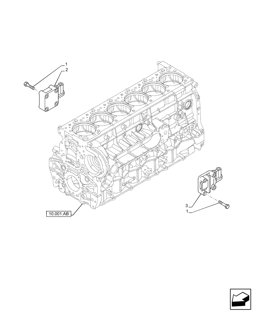
Запчасти Case IH F3HFE613A B003 (10.001.AO) - ENGINE BLOCK REAR SUPPORT (10) - ENGINE

Схема запчастей Case IH F3HFE613A B003 - (10.001.AO) - ENGINE BLOCK REAR SUPPORT (10) - ENGINE
10.001.ab
1
3
1
2
FIT
1:1
100%

Артикул

Название

Примечание

Количество

1

16682935

SCREW,Flng, M16 x 60mm

8шт.

2

500307725

HOOK

1шт.

3

500307726

HOOK

1шт.

Выбрано товаров: 3