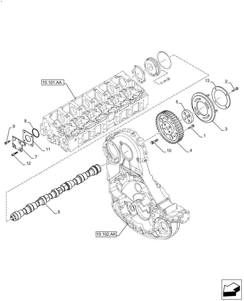
Запчасти Case IH F3HFE613A B003 (10.106.AA) - CAMSHAFT (10) - ENGINE

Схема запчастей Case IH F3HFE613A B003 - (10.106.AA) - CAMSHAFT (10) - ENGINE
10.101.aa
2
12
8
1
9
7
13
5
6
10
3
11
4
10.102.ak
FIT
1:1
100%

Артикул

Название

Примечание

Количество

1

504002590

SCREW

5шт.

2

99431774

BOLT

4шт.

3

504374044

PLATE

1шт.

4

5801491984

GEAR

1шт.

5

98496024

SPACER

1шт.

6

5801429391

CAMSHAFT

1шт.

7

504204255

COVER

1шт.

8

17290781

O-RING,78.97mm ID x 3.53mm

1шт.

9

18139424

SCREW,Hex, M10 x 20mm

4шт.

10

5801472223

BOLT

4шт.

11

NS

NOT SERVICED

Gasket

1шт.

12

NS

NOT SERVICED

Screw

1шт.

13

5801468491

SPACER

1шт.

Выбрано товаров: 13